Z1R
AIR CLEANER ('80 D3)
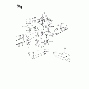
BATTERY CASE/ELECTRO BRACKET ('80 D3)
BRAKE PEDAL/TORQUE LINK ('80 D3)
CABLES ('80 D3)
CAM CHAIN/TENSIONER ('80 D3)
CAMSHAFTS/VALVES ('80 D3)
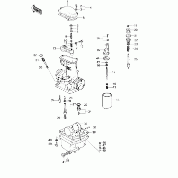
CARBURETOR ASSY (CANADA) ('80 D3)
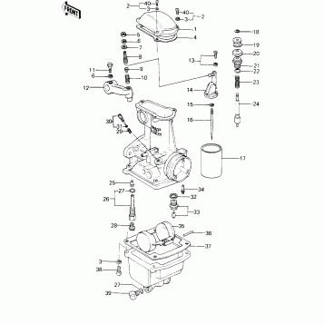
CARBURETOR ASSY (USA) ('80 D3)
CARBURETOR PARTS (CANADA) ('80 D3)
CARBURETOR PARTS (USA) ('80 D3)
CHASSIS ELECTRICAL EQUIPMENT ('80 D3)
CLUTCH ('80 D3)
CRANKCASE BOLT & STUD PATTERN ('80 D3)
CRANKCASE/BREATHER COVER ('80 D3)
CYLINDER HEAD ('80 D3)
CYLINDER HEAD COVER ('80 D3)
CYLINDERS/PISTONS/CRANKSHAFT ('80 D3)
ENGINE COVERS ('80 D3)
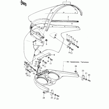
FAIRING ('80 D3)
FENDERS ('80 D3)
FOOTRESTS ('80 D3)
FRAME/FRAME FITTINGS ('80 D3)
FRONT BRAKE ('80 D3)
FRONT FORK ('80 D3)
FRONT MASTER CYLINDER ('80 D3)
FRONT WHEEL/TIRE/HUB ('80 D3)
FUEL TANK ('80 D3)
GEAR CHANGE MECHANISM ('80 D3)
HANDLEBAR ('80 D3)
HEADLIGHT ('80 D3)
IGNITION SWITCH/LOCKS/REFLECTORS ('80 D3
IGNITION/GENERATOR/REGULATOR ('80 D3)
KICKSTARTER MECHANISM ('80 D3)
METERS ('80 D3)
MUFFLERS ('80 D3)
OIL PAN/OIL PUMP/OIL FILTER ('80 D3)
OWNER TOOLS ('80 D3)
REAR BRAKE ('80 D3)
REAR MASTER CYLINDER ('80 D3)
REAR WHEEL/TIRE/HUB/CHAIN ('80 D3)
SEAT/SEAT COVER ('80 D3)
SIDE COVERS/CHAIN COVER ('80 D3)
SPECIAL SERVICE TOOLS "A" ('80 D3)
SPECIAL SERVICE TOOLS "B" ('80 D3)
STANDS ('80 D3)
STARTER MOTOR/STARTER CLUTCH ('80 D3)
SWING ARM/SHOCK ABSORBERS ('80 D3)
TAILLIGHT ('80 D3)
TRANSMISSION ('80 D3)
TURN SIGNALS ('80 D3)
Fuel Your Passion
Parts That Keep You Riding
Edit ride