LT-4WD (1990)
AIR CLEANER (MODEL H/J/K/L)
AIR CLEANER (MODEL M/N/P/R/S)
BACKUP LAMP (OPTIONAL)
BATTERY
CAM CHAIN
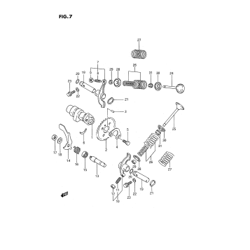
CAM SHAFT - VALVE
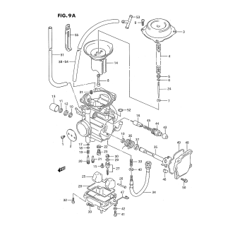
CARBURETOR (MODEL H/J/K)
CARBURETOR (MODEL L/M/N/P/R/S)
CARRIER (MODEL H/J)
CARRIER (MODEL K/L/M/N/P/R/S)
CLUTCH
COOLING FAN (MODEL H/J/K/L/M:OPTIONAL)
COOLING FAN (MODEL N/P/R/S:OPTIONAL)
CRANKCASE
CRANKCASE COVER
CRANKSHAFT
CYLINDER
CYLINDER HEAD
DIFFERENTIAL GEAR
DIFFERENTIAL LOCK
ELECTRICAL
FOOTREST
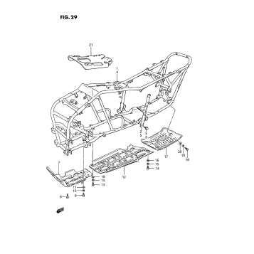
FRAME (MODEL H/J/K)
FRAME (MODEL L/M/N/P/R/S)
FRONT BRAKE HOSE
FRONT FENDER (MODEL H/J/K/L)
FRONT FENDER (MODEL M/N/P/R/S)
FRONT MASTER CYLINDER (MODEL H/J/K/L)
FRONT MASTER CYLINDER (MODEL M/N/P/R/S)
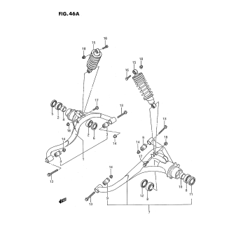
FRONT SUSPENSION ARM
FRONT WHEEL (MODEL H/J/K/L)
FRONT WHEEL (MODEL M/N)
FRONT WHEEL (MODEL P/R/S)
FRONT WHEEL BRAKE (MODEL H/J/K/L)
FRONT WHEEL BRAKE (MODEL M/N/P/R/S)
FUEL TANK
GEAR SHIFTING
HANDLE SWITCH (MODEL H/J/K/L)
HANDLE SWITCH (MODEL M/N/P/R/S)
HANDLEBAR - CONTROL CABLE (MODEL H)
HANDLEBAR - CONTROL CABLE (MODEL J/K/L/M/N/P/R/S)
HEADLAMP
KNUCKLE COVER (OPTIONAL)
LABEL
MAGNETO
MUFFLER (MODEL H)
MUFFLER (MODEL J/K)
MUFFLER (MODEL L)
MUFFLER (MODEL M/N/P/R/S)
OIL PUMP - FUEL PUMP
OPTIONAL
REAR BRAKE
REAR FENDER (MODEL H/J/K/L)
REAR FENDER (MODEL M/N/P/R/S)
REAR SUSPENSION ARM (MODEL H)
REAR SUSPENSION ARM (MODEL J/K/L/M/N/P/R/S)
REAR WHEEL
RECOIL STARTER
SEAT
SECONDARY GEAR - PROPELLER SHAFT (MODEL H/J/K/L/M/N/P)
SECONDARY GEAR - PROPELLER SHAFT (MODEL R/S)
SPEEDOMETER
STARTER CLUTCH
STARTING MOTOR (%E.NO.125080)
STARTING MOTOR (E.NO.125081%)
STEERING SHAFT
TAIL LAMP
TIE ROD
TRANSMISSION (1)
TRANSMISSION (2)
TRANSMISSION LEVER
WIRING HARNESS
Fuel Your Passion
Parts That Keep You Riding
Edit ride