Partiron

Suzuki LT-4WD (1995) FRONT MASTER CYLINDER (MODEL M/N/P/R/S) Diagram

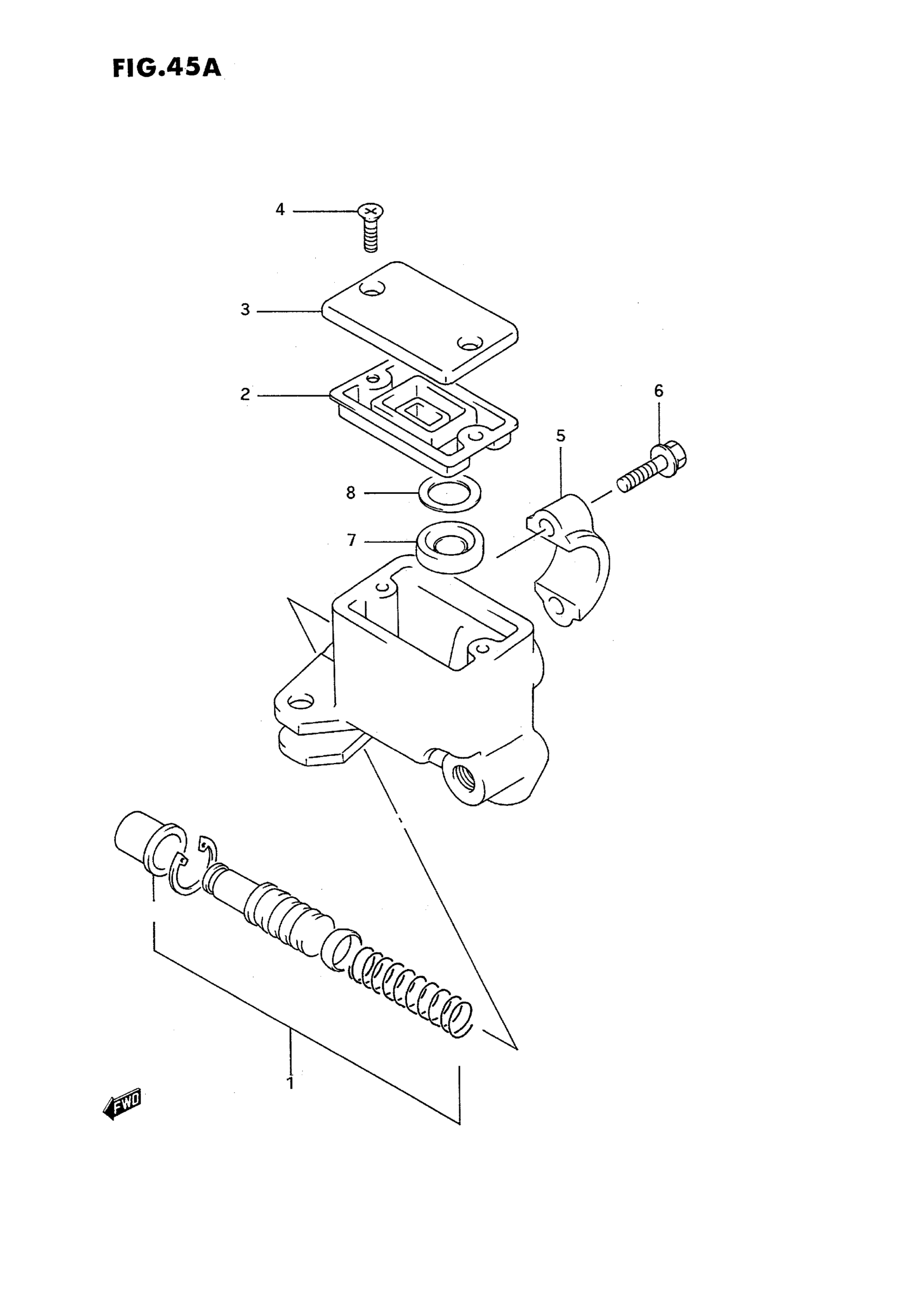
#

Description
Price

CYLINDER ASSY, FRONT MASEER | Includes Item(s) 1 - 8

59600-44B11

$294.40

1

PISTON / CUP SET

59600-45850

$39.48

2

DIAPHRAGM

59667-44B00

$9.78

3

CAP

69669-24A01

$15.10

4

SCREW, CAP

69689-49300

$1.91

5

.HOLDER

59671-36500

$12.21

6

BOLT HOLDER SET

59675-19C00

$4.02

7

SEPARATOR

59748-15400

$9.38

8

PLATE

59749-15400

$2.79