- Partiron
- OEM Parts
- Suzuki
- All Terrain Vehicle
- 1995
- LT-4WD (1995)
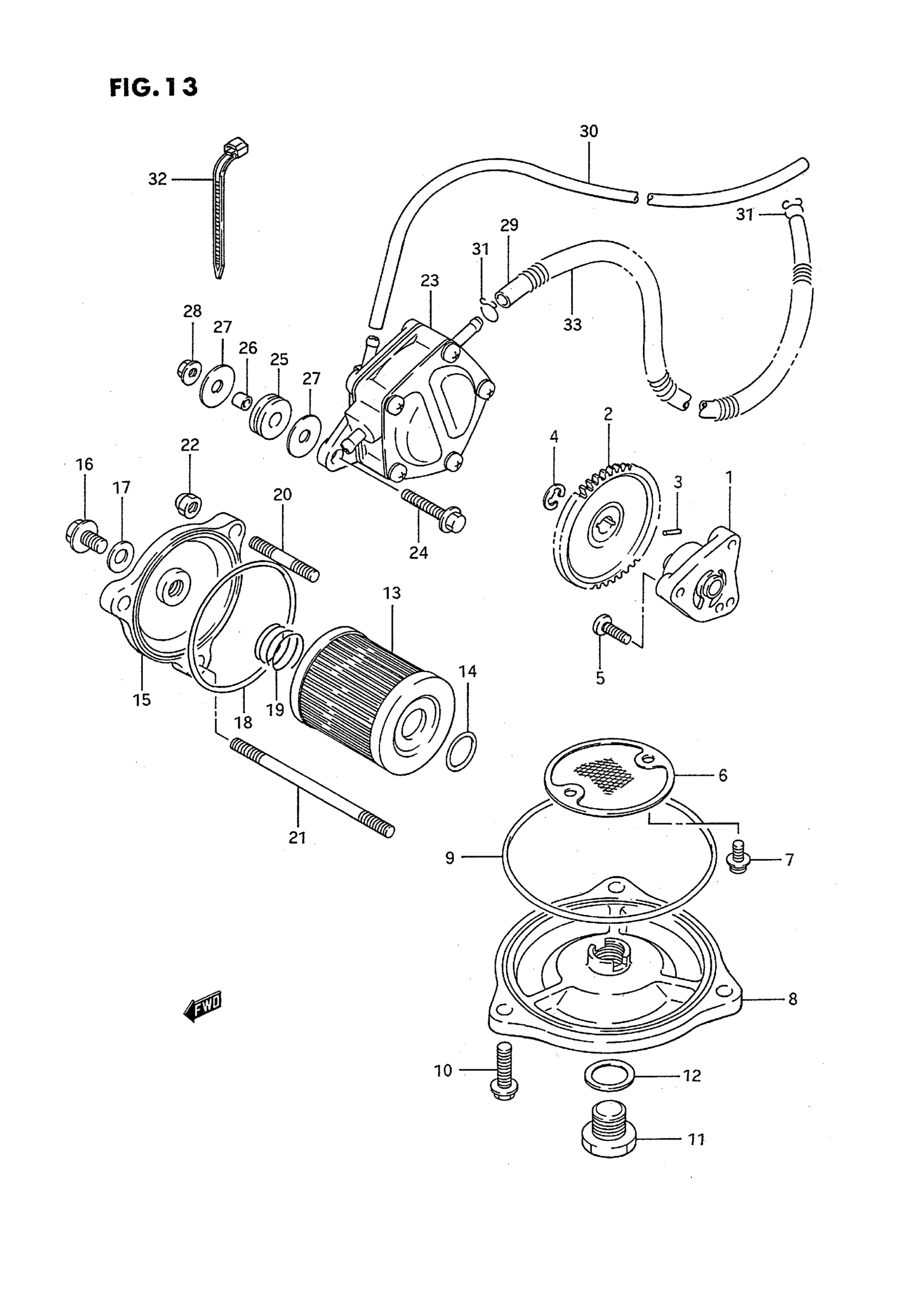
OIL PUMP - FUEL PUMP
Suzuki LT-4WD (1995) OIL PUMP - FUEL PUMP Diagram
#
Description
Price
30
HOSE(4X7X2000) | MODEL L/M/N/P/R/S L:1000!730 This part replaces 09359-40701-00A.
09359-40703-00B
Unavailable
