- Partiron
- OEM Parts
- Suzuki
- All Terrain Vehicle
- 1995
- LT-4WD (1995)
SECONDARY GEAR - PROPELLER SHAFT (MODEL H/J/K/L/M/N/P)
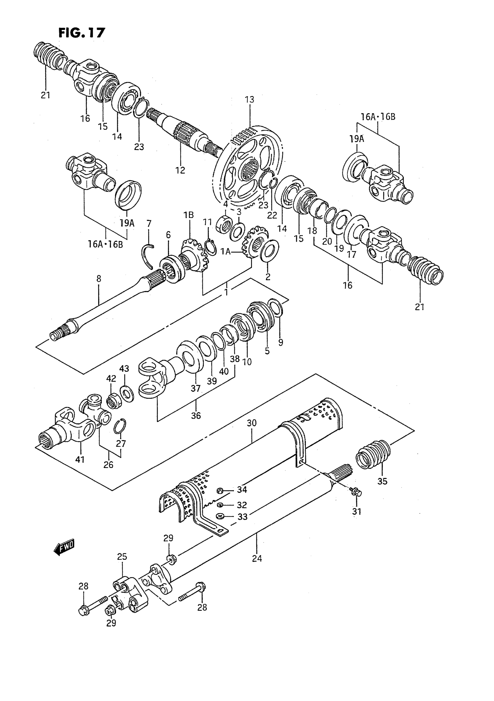
Suzuki LT-4WD (1995) SECONDARY GEAR - PROPELLER SHAFT (MODEL H/J/K/L/M/N/P) Diagram
#
Description
Price
1
GEAR, DRIVE BEVEL | !24911-19B00 (1A) USED WITH 24921-19B00 This part replaces 24900-19810.
24911-19B00
Unavailable
2
SHIM (T:0.25)
24935-19B00-025
Unavailable
2
SHIM (T:0.30)
24935-19B00-030
Unavailable
2
SHIM (T:0.35)
24935-19B00-035
Unavailable
2
SHIM (T:0.90)
24935-19B00-090
Unavailable
2
SHIM (T:0.95)
24935-19B00-095
Unavailable
2
SHIM (T:1.00)
24935-19B00-100
Unavailable
2
SHIM (T:1.05)
24935-19B00-105
Unavailable
2
SHIM (T:1.10)
24935-19B00-110
Unavailable
2
SHIM (T:1.15)
24935-19B00-115
Unavailable
8
SHAFT, SECONDARY OUTPUT This part replaces 24961-19B00.
24961-19B01
Unavailable
12
SHAFT, REAR FINAL DRIVEN | MODEL H
27551-19B04
Unavailable
13
GEAR, DRIVEN (NT:62) This part replaces 27541-19B02.
27541-19B10
Unavailable
14
BEARING (25X62X17) | MODEL H
09262-25066
Unavailable
16
JOINT, REAR FINAL OUTPUT | MODEL H
27501-19B01
Unavailable
16A
JOINT, REAR FINAL OUTPUT | %E.NO.167277 This part replaces 27501-19B10.
27501-19B11
Unavailable
16B
JOINT, REAR FINAL OUTPUT | E.NO.167278%; Includes Item(s) 17 - 20
27501-19B11
Unavailable
17
PLATE | MODEL H
09165-30001
Unavailable
19A
PLATE | MODEL J/K/L/M/N/P
27592-19B10
Unavailable
30
PROTECTOR | MODEL H/J/K
27190-19B00
Unavailable
30
PROTECTOR | MODEL L/M/N/P This part replaces 27190-19B70.
27190-19B71
Unavailable
36
YOKE, FR DRIVE OUTPUT | Includes Item(s) 37 - 40 This part replaces 27130-19B00.
27130-19B10
$185.53
41
YOKE, PROPELLER SHAFT JOINT
27140-19B00
Unavailable
