MX Z 800 Rev, 2002
01- Cooling System
01- Crankcase, Water Pump And Oil Pump
01- Crankshaft And Pistons
01- Cylinder, Exhaust Manifold, Reed Valve
01- Engine
01- Exhaust System
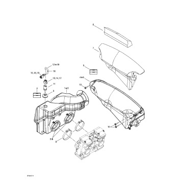
02- Air Intake System
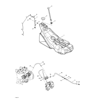
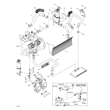
02- Carburetors
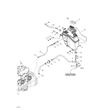
02- Fuel System
02- Oil Tank
03- Magneto (12V, 360W)
04- Rewind Starter
05- Chaincase
05- Drive Pulley
05- Driven Pulley
05- Pulleys System
06- Hydraulic Brake
07- Front Suspension And Ski
07- Front Take Apart Shocks
07- Steering System
08- Front Arm
08- Rear Arm
08- Rear Suspension
08- Rear Take Apart Shocks
09- Bottom Pan
09- Decals
09- Frame - Front And Rear
09- Frame - Steering Support
09- Frame And Accessories
09- Hood
09- Seat
09- Utilities
09- Windshield And Console
10- Electrical System
Fuel Your Passion
Parts That Keep You Riding
Edit ride