GSX750FV (1997)
AIR CLEANER
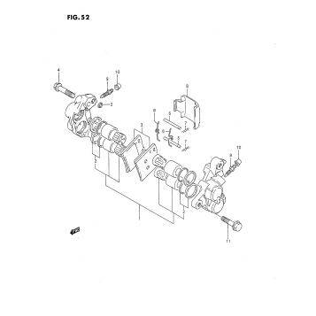
ALTERNATOR
BATTERY
CAM CHAIN
CAM SHAFT - VALVE
CANISTER (E33)
CARBURETOR
CARBURETOR FITTINGS
CLUTCH
COOLING FAN (E33)
COWLING BODY
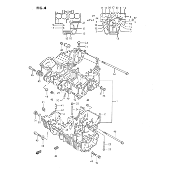
CRANKCASE
CRANKCASE COVER
CRANKSHAFT
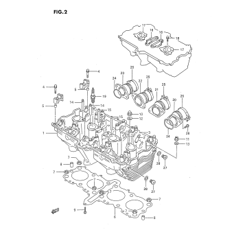
CYLINDER
CYLINDER HEAD
CYLINDER HEAD COVER
ELECTRICAL
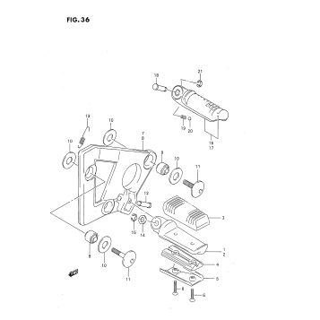
FOOTREST
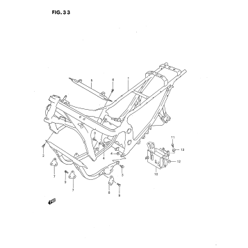
FRAME
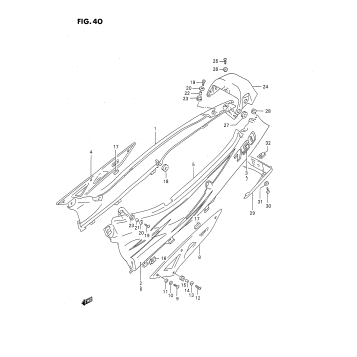
FRAME COVER
FRONT BRAKE HOSE
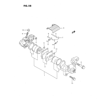
FRONT CALIPER
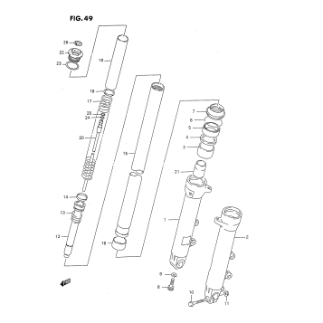
FRONT DAMPER
FRONT FENDER
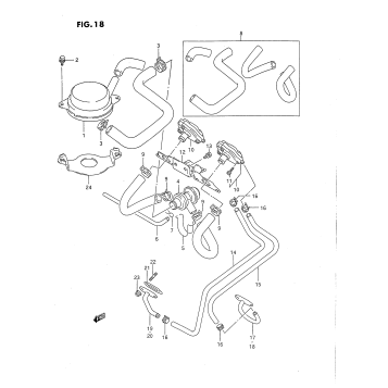
FRONT MASTER CYLINDER
FRONT WHEEL
FUEL COCK
FUEL TANK
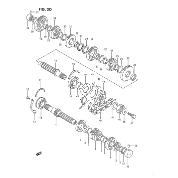
GEAR SHIFTING
HANDLE LEVER
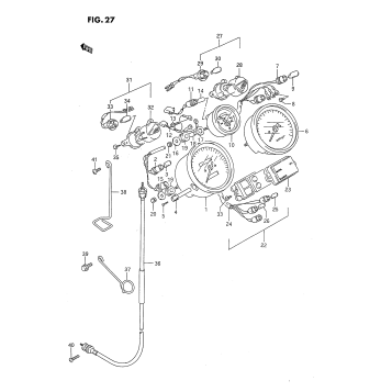
HANDLE SWITCH
HANDLEBAR
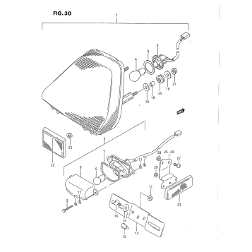
HEADLAMP
INSTALLATION PARTS
MUFFLER
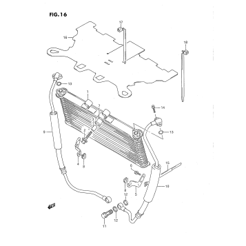
OIL COOLER
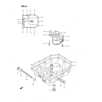
OIL PAN
OIL PUMP
OPTIONAL
REAR CALIPER
REAR COMBINATION LAMP
REAR CUSHION LEVER
REAR FENDER
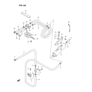
REAR MASTER CYLINDER
REAR SWINGING ARM
REAR WHEEL
SEAT
SECOND AIR (E33)
SIGNAL GENERATOR
SPEEDOMETER
STAND
STARTER CLUTCH
STARTING MOTOR
STEERING STEM
TAIL LAMP BAR
TRANSMISSION
TURNSIGNAL LAMP
WARNING LABEL
WIRING HARNESS
Fuel Your Passion
Parts That Keep You Riding
Edit ride