Partiron

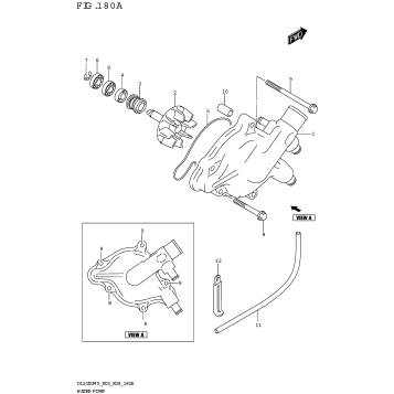
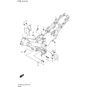
DL1050RJM5 (2025) OEM Parts

Showing 1 to 100 of 116 (2 Pages)

Fuel Your Passion

Parts That Keep You Riding

Shop now
Fuel Your Passion