- Partiron
- OEM Parts
- Suzuki
- Motorcycle
- 2025
- DL1050RJM5 (2025)
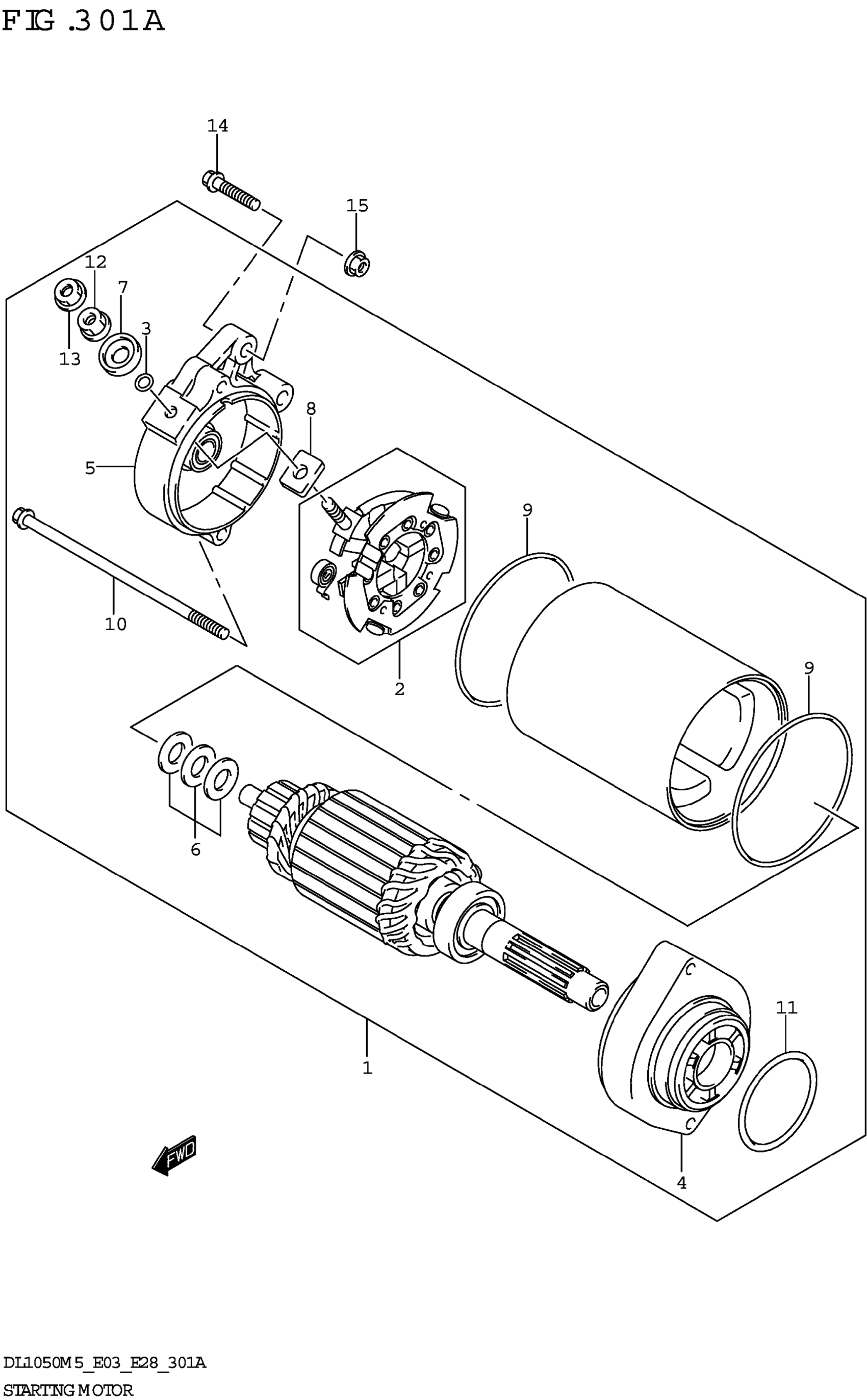
STARTING MOTOR
Suzuki DL1050RJM5 (2025) STARTING MOTOR Diagram
#
Description
Price
4
.HOUSING ASSY
31150-44B10
Unavailable
5
.FRAME ASSY
31170-02F10
Unavailable
6
.SHIM SET
31170-43400
Unavailable
8
.BUSHING
31173-88C00
Unavailable
