LT-F250 (1997)
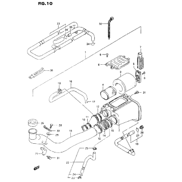
AIR CLEANER
BATTERY
CAM CHAIN
CAM SHAFT - VALVE
CARBURETOR
CARRIER
CLUTCH
COOLING FAN (OPTIONAL)
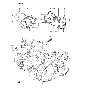
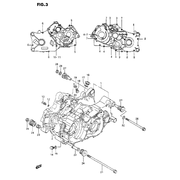
CRANKCASE
CRANKCASE COVER
CRANKSHAFT
CYLINDER
CYLINDER HEAD
ELECTRICAL
FOOTREST
FRAME
FRONT BRAKE HOSE
FRONT FENDER
FRONT MASTER CYLINDER
FRONT WHEEL
FRONT WHEEL BRAKE
FUEL TANK
GEAR SHIFTING
HANDLE LEVER
HANDLEBAR - CABLE
HEADLAMP
HEADLAMP HOUSING
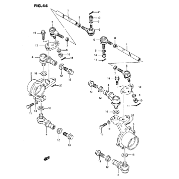
KNUCKLE ARM
KNUCKLE COVER (OPTIONAL)
LABEL
MAGNETO
MUFFLER
ODOMETER
OIL PUMP - OIL FILTER
OPTIONAL
REAR BRAKE
REAR FENDER
REAR WHEEL
RECOIL STARTER
SEAT
STARTER CLUTCH
STARTING MOTOR
STEERING SHAFT
SUSPENSION ARM
TAIL LAMP
TRANSMISSION
TRANSMISSION (2)
TRANSMISSION (3)
TRANSMISSION LEVER
WIRING HARNESS
Fuel Your Passion
Parts That Keep You Riding
Edit ride