GV700GL (1985)
AIR CLEANER
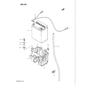
BATTERY
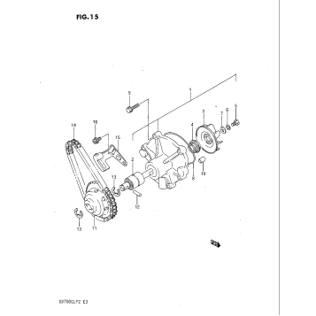
CAM CHAIN
CAMSHAFT - VALVE
CANISTER (FOR CALIFORNIA)
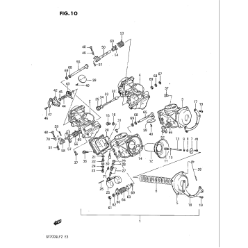
CARBURETOR
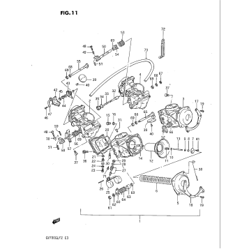
CARBURETOR (FOR CALIFORNIA)
CARBURETOR FITTINGS
CLUTCH
CLUTCH HOSE
CLUTCH MASTER CYLINDER
CRANKCASE
CRANKCASE COVER
CRANKSHAFT
CUSHION LEVER
CYLINDER HEAD (FRONT)
CYLINDER HEAD (REAR)
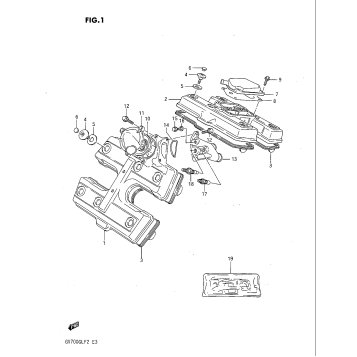
CYLINDER HEAD COVER
ELECTRICAL
FOOTREST
FRAME
FRAME COVER
FRONT BRAKE HOSE
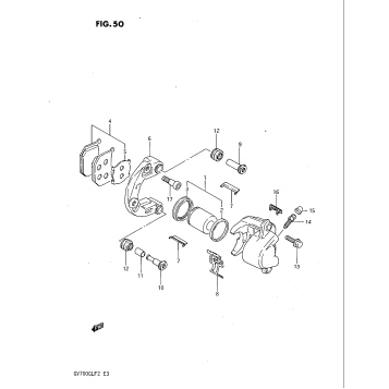
FRONT CALIPERS
FRONT FORK
FRONT MASTER CYLINDER
FRONT WHEEL
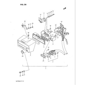
FUEL COCK
FUEL TANK
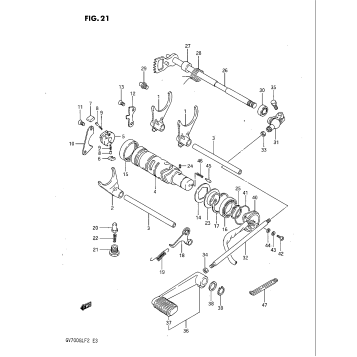
GEAR SHIFTING
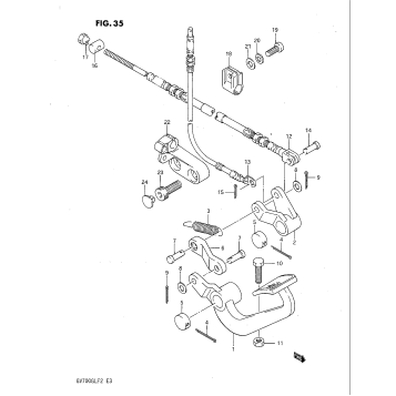
HANDLEBAR - CONTROL CABLE
HEADLAMP
HEADLAMP HOUSING - FRONT FENDER
LEFT HANDLE SWITCH
MAGNETO
MUFFLER
OIL PUMP - FUEL PUMP
OPTIONAL
PILLION RIDER HANDLE
PILOT LAMP BOX
PROPELLER SHAFT - FINAL DRIVE GEAR
RADIATOR
RADIATOR HOSE - RESERVE TANK
REAR BRAKE
REAR FENDER
REAR SHOCK ABSORBER
REAR SWINGING ARM
REAR WHEEL
RIGHT HANDLE SWITCH
SEAT
SECONDARY DRIVE GEAR
SPEEDOMETER - TACHOMETER
STAND
STARTING MOTOR
STEERING STEM
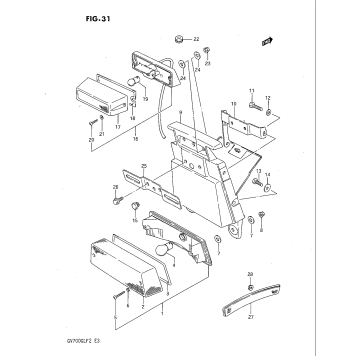
TAIL LAMP - LICENSE LAMP
TRANSMISSION
TURN SIGNAL LAMP
WATER PUMP
WIRING HARNESS
Fuel Your Passion
Parts That Keep You Riding
Edit ride