- Partiron
- OEM Parts
- Suzuki
- Motorcycle
- 1985
- GV700GL (1985)
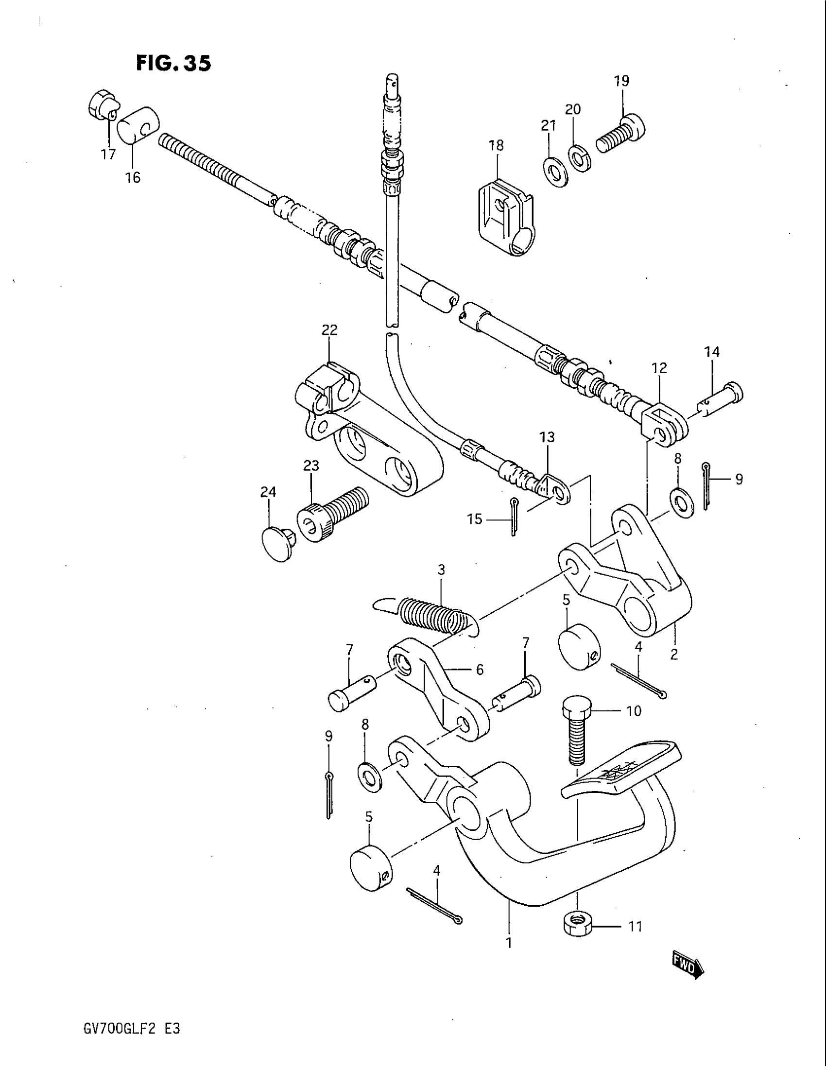
REAR BRAKE
Suzuki GV700GL (1985) REAR BRAKE Diagram
#
Description
Price
1
PEDAL, BRAKE
43110-07A00
Unavailable
2
ARM, BRAKE PEDAL
43120-07A00
Unavailable
5
CAP This part replaces 43135-07A00.
43135-07A02
Unavailable
6
LINK, BRAKE PEDAL
43271-07A00
Unavailable
7
PIN
09200-07006
Unavailable
8
WASHER (7.5X13X1) This part replaces 09160-07009.
09160-07019
Unavailable
12
CABLE, REAR BRAKE
58510-07A00
Unavailable
13
CABLE, STOP LAMP SWITCH
58830-07A00
Unavailable
22
BRACKET, REAR BRAKE CABLE
58575-07A10
Unavailable
