LT230GE (1985)
AIR CLEANER
BATTERY
BRAKE HOSE
CAM CHAIN
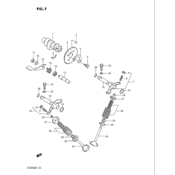
CAM SHAFT - VALVE
CARBURETOR
CARRIER (MODEL F OPT)
CARRIER (MODEL G OPT)
CLUTCH
CRANKCASE
CRANKCASE COVER
CRANKSHAFT
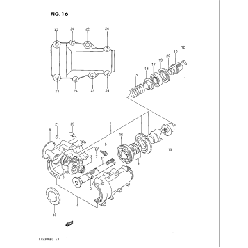
CYLINDER
CYLINDER HEAD
ELECTRICAL
FOOTREST
FRAME
FRONT FENDER (MODEL F)
FRONT FENDER (MODEL G)
FRONT MASTER CYLINDER
FRONT WHEEL
FRONT WHEEL BRAKE
FUEL TANK
GEAR SHIFTING
HANDLE SWITCH
HANDLEBAR - STEERING
HEADLAMP
HEADLAMP HOUSING
MAGNETO
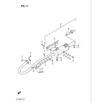
MUFFLER
ODOMETER
OIL PUMP - FUEL PUMP
OPTIONAL
PROPELLER SHAFT - FINAL DRIVE GEAR
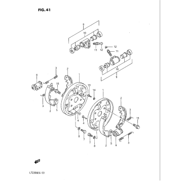
REAR BRAKE
REAR FENDER
REAR WHEEL (LEFT)
REAR WHEEL (RIGHT)
RECOIL STARTER
SEAT
SECONDARY DRIVE GEAR
STARTER CLUTCH
STARTING MOTOR
SUSPENSION ARM
TAIL LAMP
TIE ROD
TRAILER HITCH - TIRE BELT (OPT)
TRANSMISSION
WIRING HARNESS
Fuel Your Passion
Parts That Keep You Riding
Edit ride