- Partiron
- OEM Parts
- Suzuki
- All Terrain Vehicle
- 1986
- LT230GE (1986)
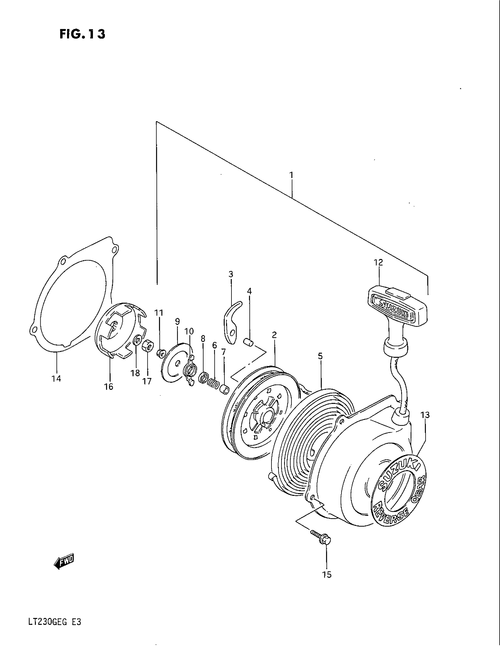
RECOIL STARTER
Suzuki LT230GE (1986) RECOIL STARTER Diagram
#
Description
Price
1
NO DESCRIPTION AVAILABLE | MODEL F This part replaces 18100-18A01.
18100-18A11
Unavailable
1
NO DESCRIPTION AVAILABLE | MODEL G; Includes Item(s) 2 - 13 This part replaces 18100-18A10.
18100-18A11
Unavailable
4
PIN, RATCHET
18344-24400
Unavailable
6
SPRING, FRICTION
18153-24400
Unavailable
7
SHAFT, SUB
18176-24400
Unavailable
8
COVER, SPRING
18275-24400
Unavailable
16
CUP, STARTER This part replaces 18411-18A01.
18411-18A03
Unavailable
