DL800RQM5 (2025)
2ND AIR
AIR CLEANER
BATTERY
CAM CHAIN
CAMSHAFT/VALVE
CARRIER
CLUTCH
CLUTCH COVER
CONTROL CABLE
COWLING BODY
CRANK BALANCER
CRANKCASE
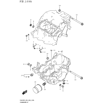
CRANKCASE (2)
CRANKSHAFT
CYLINDER
CYLINDER HEAD
CYLINDER HEAD COVER
ELECTRIC POWER CONTROL UNIT
EVAP SYSTEM
FOOTREST
FRAME
FRAME BODY COVER
FRAME COVER
FRONT BRACKET
FRONT BRAKE HOSE
FRONT CALIPER
FRONT FENDER
FRONT FORK DAMPER
FRONT MASTER CYLINDER
FRONT WHEEL
FUEL PUMP
FUEL TANK
FUEL TANK COVER
GASKET SET
GEAR SHIFTING
HANDLE LEVER
HANDLE SWITCH
HANDLEBAR
HEADLAMP
HOLDER
HYDRAULIC UNIT
IGNITION COIL
LABEL (E03)
LABEL (E28)
LABEL (E33)
LOCK SET
MAGNETO
MAGNETO COVER
MANUAL/TOOLS (E03,E33)
MANUAL/TOOLS (E28)
MUFFLER
OIL COOLER
OIL PAN/OIL PUMP
PILLION FOOTREST
RADIATOR
RADIATOR HOSE
REAR BRAKE HOSE
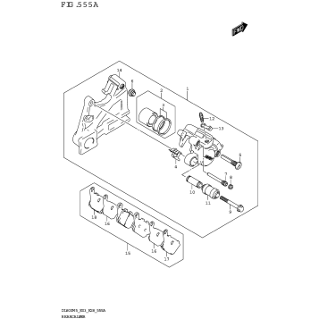
REAR CALIPER
REAR COMBINATION LAMP
REAR CUSHION LEVER
REAR FENDER
REAR MASTER CYLINDER
REAR SHOCK ABSORBER
REAR SWINGINGARM
REAR VIEW MIRROR
REAR WHEEL
RECTIFIER
SEAT
SIDE COVER
SPEED SENSOR
SPEEDOMETER (E03,E33)
SPEEDOMETER (E28)
STAND
STARTER CLUTCH
STARTING MOTOR
STARTOR RELAY
STEERING STEM
THROTTLE BODY
TRANSMISSION
TURNSIGNAL LAMP
WATER PUMP
WINDSCREEN
WIRING HARNESS
Fuel Your Passion
Parts That Keep You Riding
Edit ride