- Partiron
- OEM Parts
- Suzuki
- Motorcycle
- 2025
- DL800RQM5 (2025)
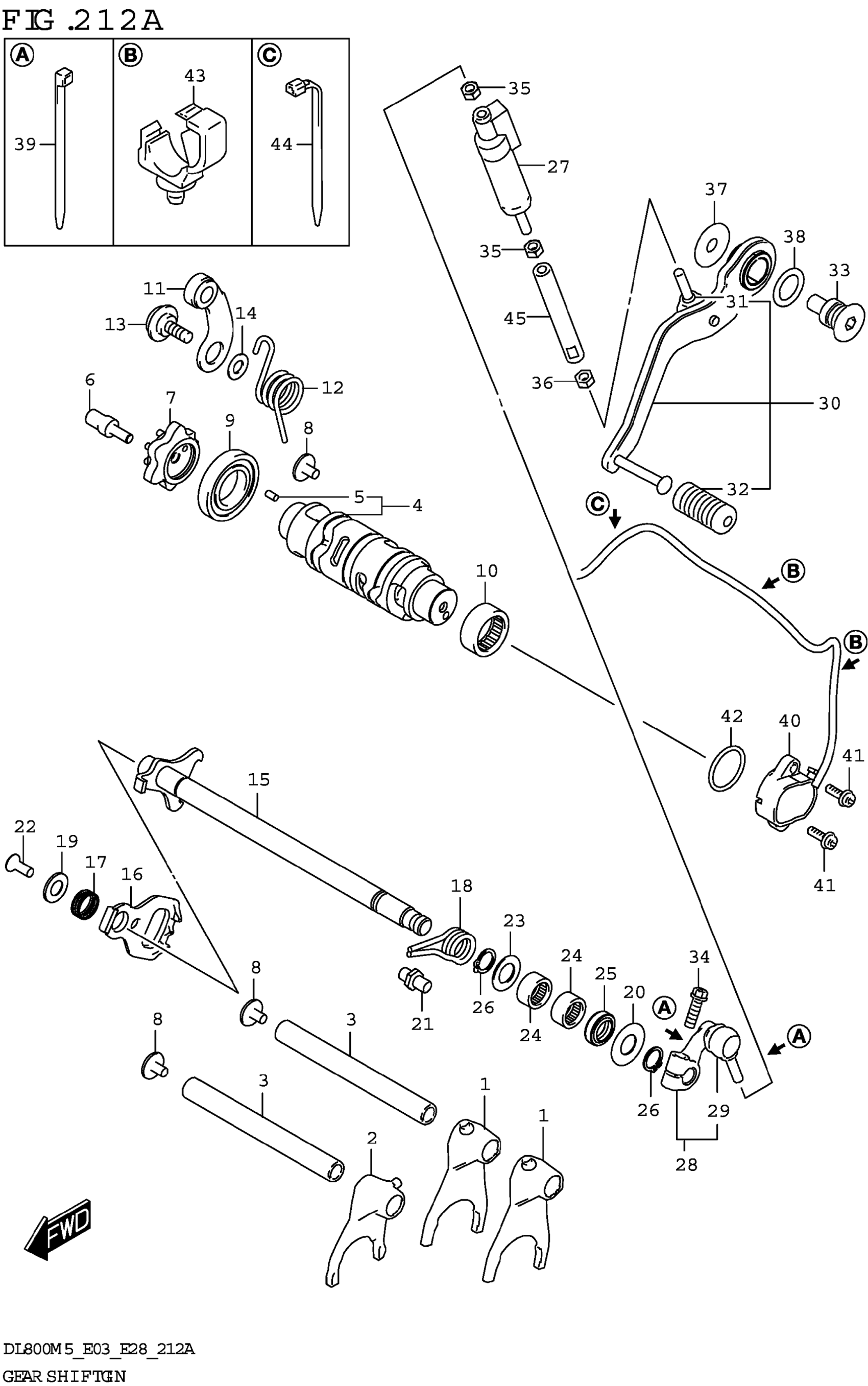
GEAR SHIFTING
Suzuki DL800RQM5 (2025) GEAR SHIFTING Diagram
#
Description
Price
12
SPRING,GEAR SHIFT CAM STOPPER
25355-18H00
Unavailable
37
WASHER (10X30X1.0)
09160-10047
Unavailable
