LT80S (1991)
AIR CLEANER
BRAKE PEDAL
CARBURETOR
CONTROL CABLE
COOLING FAN
CRANKCASE
CRANKCASE LEFT COVER
CRANKSHAFT
CYLINDER
ELECTRICAL
FOOTREST
FRAME
FRONT BRAKE
FRONT BRAKE LEVER
FRONT FENDER (MODEL H)
FRONT FENDER (MODEL J/K/L)
FRONT FENDER (MODEL M/N/P/R)
FRONT FENDER (MODEL S)
FRONT WHEEL
FUEL TANK
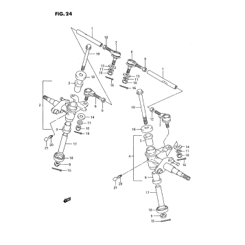
HANDLEBAR - STEERING
LABEL
MAGNETO
MUFFLER
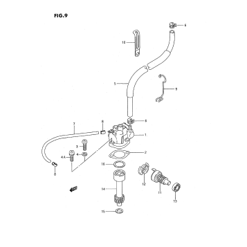
OIL PUMP
OIL TANK
OPTIONAL
REAR FENDER (MODEL H/J/K)
REAR FENDER (MODEL L)
REAR FENDER (MODEL M/N/P/R/S)
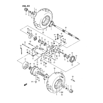
REAR WHEEL
RECOIL STARTER (OPT)
SEAT
STARTING MOTOR
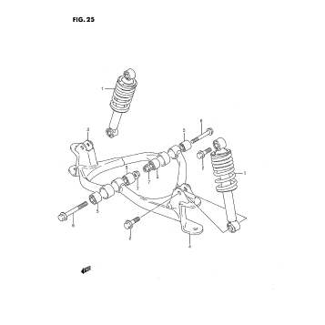
SUSPENSION ARM
TIE ROD
TRANSMISSION (1)
TRANSMISSION (2)
UNDER GUARD
WIRING HARNESS
Fuel Your Passion
Parts That Keep You Riding
Edit ride