VS700GLEP (1987)
AIR CLEANER (FRONT)
AIR CLEANER (REAR)
BATTERY (MODEL G -F.NO.111193)
BATTERY (MODEL G F.NO.111194-
CAM CHAIN
CAMSHAFT - VALVE
CANISTER (FOR CALIFORNIA)
CARBURETOR (FRONT)
CARBURETOR (REAR)
CLUTCH
CLUTCH HOSE
CLUTCH MASTER CYLINDER (VS700GLFG/GLEFG/GLFH/GLEFH)
CLUTCH MASTER CYLINDER (VS700GLPG/GLEPG/GLPH/GLEPH)
CRANKCASE
CRANKCASE COVER
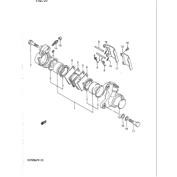
CRANKSHAFT
CYLINDER
CYLINDER HEAD (FRONT)
CYLINDER HEAD (REAR)
ELECTRICAL
FOOTREST (MODEL G)
FOOTREST (MODEL H)
FRAME
FRAME COVER
FRONT BRAKE HOSE
FRONT CALIPER
FRONT FORK (MODEL G)
FRONT FORK (MODEL H)
FRONT MASTER CYLINDER (VS700GLFG/GLEFG/GLFH/GLEFH)
FRONT MASTER CYLINDER (VS700GLPG/GLEPG/GLPH/GLEPH)
FRONT WHEEL (VS700GLEFG/GLEPG)
FRONT WHEEL (VS700GLEFH/GLEPH)
FRONT WHEEL (VS700GLFG/GLPG)
FRONT WHEEL (VS700GLFH/GLPH)
FUEL COCK
FUEL TANK
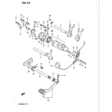
GEAR SHIFTING
HANDLE SWITCH
HANDLEBAR - CONTROL CABLE (VS700GLFG/GLEFG/GLFH/GLEFH)
HANDLEBAR - CONTROL CABLE (VS700GLPG/GLEPG/GLPH/GLEPH)
HEADLAMP
HEADLAMP HOUSING - FRONT FENDER
MAGNETO
MUFFLER
OIL PUMP - FUEL PUMP
OPTIONAL
PILLION RIDER HANDLE
PROP STAND - REAR BRAKE (VS700GLFG/GLPG -F.NO.115898)
PROPELLER SHAFT - FINAL DRIVE GEAR
RADIATOR
REAR COMBINATION LAMP
REAR FENDER
REAR SWINGING ARM (MODEL H)
REAR SWINGING ARM (VS700GLFG/GLPG -F.NO.115898)
REAR WHEEL (VS700GLEFG/GLEPG)
REAR WHEEL (VS700GLEFH/GLEPH)
REAR WHEEL (VS700GLFG/GLPG)
REAR WHEEL (VS700GLFH/GLPH)
SEAT
SECONDARY DRIVE GEAR (MODEL G)
SECONDARY DRIVE GEAR (MODEL H)
SPEEDOMETER
STARTER CLUTCH
STARTING MOTOR
STEERING STEM (MODEL G)
STEERING STEM (MODEL H)
TRANSMISSION
TURN SIGNAL LAMP
VS700GLFG/GLPG F.NO.115899-
WATER PUMP
WIRING HARNESS
Fuel Your Passion
Parts That Keep You Riding
Edit ride