- Partiron
- OEM Parts
- Suzuki
- Motorcycle
- 1987
- VS700GLEF (1987)
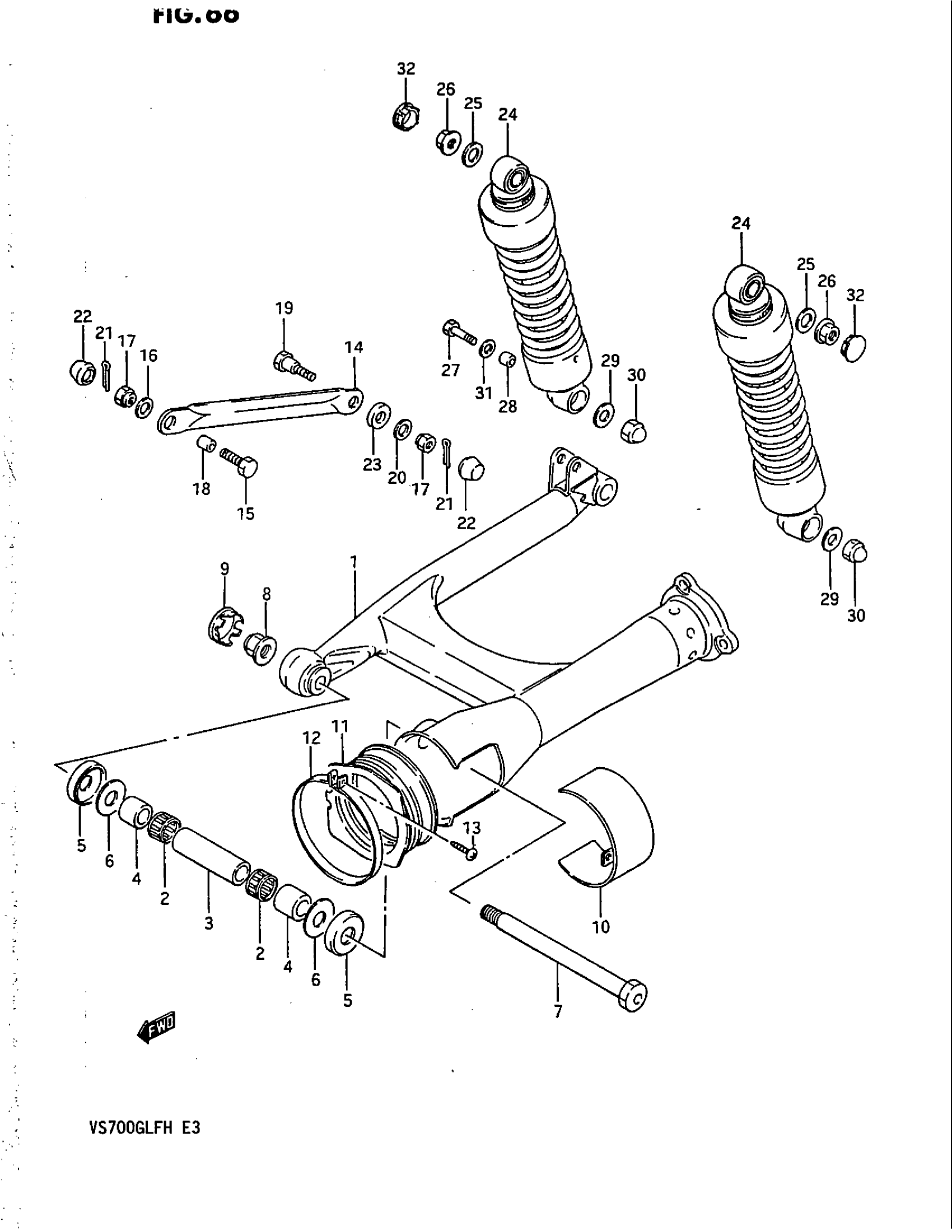
REAR SWINGING ARM (MODEL H)
Suzuki VS700GLEF (1987) REAR SWINGING ARM (MODEL H) Diagram
#
Description
Price
1
SWINGING ARM, REAR (BLACK) | BLACK This part replaces 61100-38A20-019.
61100-38A20-33J
Unavailable
1
SWINGING ARM, REAR (BLACK) | MAROON This part replaces 61100-38A20-33D.
61100-38A20-33J
Unavailable
1
SWINGING ARM, REAR (BLACK) | BLUE This part replaces 61100-38A20-24V.
61100-38A20-33J
Unavailable
4
SPACER
61251-32400
Unavailable
7
SHAFT, PIVOT
61211-38A00
Unavailable
10
COVER, PIVOT LH (SILVER) This part replaces 61232-38A00-019.
61232-38A00-13L
Unavailable
10
COVER, PIVOT LH (SILVER) This part replaces 61232-38A00-33D.
61232-38A00-13L
Unavailable
10
CAP, LH (BLUE)
61232-38A00-24V
Unavailable
14
TORQUE LINK, REAR (BLACK) | L:294 This part replaces 64310-38A12-019.
64310-38A13-019
Unavailable
15
BOLT, FRONT
09101-10037
Unavailable
