- Partiron
- OEM Parts
- Suzuki
- Motorcycle
- 1987
- VS700GLEF (1987)
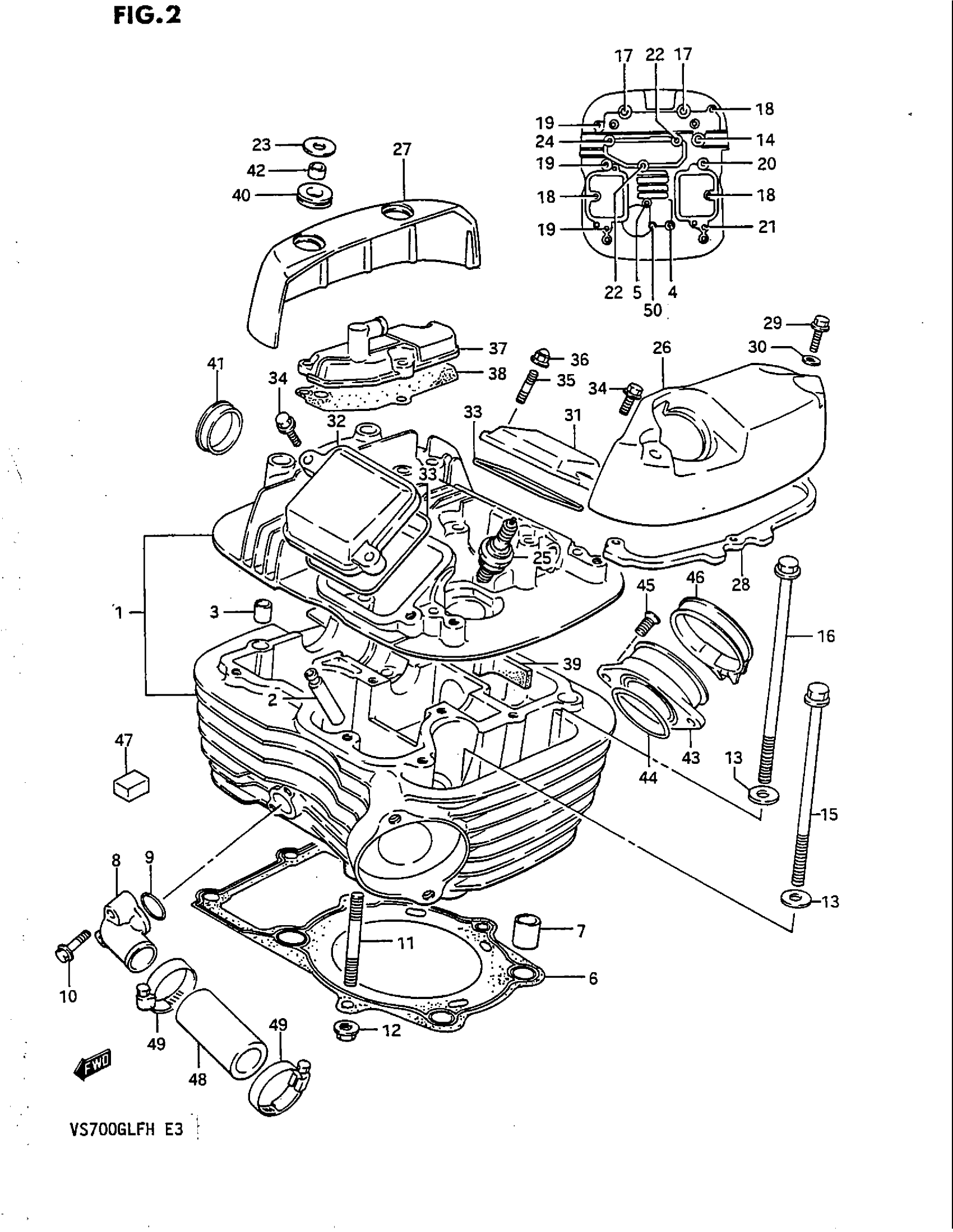
CYLINDER HEAD (REAR)
Suzuki VS700GLEF (1987) CYLINDER HEAD (REAR) Diagram
#
Description
Price
1
HEAD ASSY, CYLINDER REAR | ~E.NO.110588 This part replaces 11103-38A00.
11103-38A02
Unavailable
1
HEAD ASSY, CYLINDER REAR | E.NO.110589~; Includes Item(s) 2 - 5 This part replaces 11103-38A01.
11103-38A02
Unavailable
8
UNION, CYLINDER HEAD WATER This part replaces 11169-38A00.
11169-45C10
Unavailable
17
BOLT (8X245)
09103-08180
Unavailable
25
SPARK PLUG (ND,X24EP-U9)
09482-00333-111
Unavailable
25
NO DESCRIPTION AVAILABLE | OPT This part replaces 09482-00353-111.
09482-00353
Unavailable
25
SPARK PLUG (ND,X27EP-U9) | OPT
09482-00329-111
Unavailable
26
CAP, HEAD COVER LH
11173-38A03
Unavailable
27
CAP, HEAD COVER RH
11174-38A02
Unavailable
29
BOLT
01204-06357
Unavailable
32
NO DESCRIPTION AVAILABLE This part replaces 11176-38A01.
11176-38A02
Unavailable
37
COVER, BREATHER This part replaces 11186-38A01.
11186-38A02
Unavailable
39
PLATE, HEAD COVER
11179-38A00
Unavailable
