LT-4WD (1997)
AIR CLEANER
MUFFLER
BACKUP LAMP
BATTERY
CAM CHAIN
CAM SHAFT-VALVE
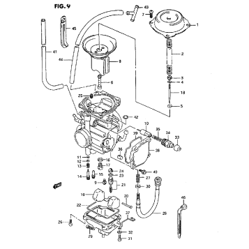
CARBURETOR
CARRIER
CLUTCH
COOLING FAN (OPTIONAL)
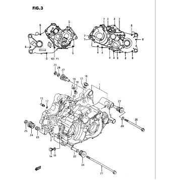
CRANKCASE
CRANKCASE COVER
CRANKSHAFT
CYLINDER
CYLINDER HEAD
DIFFERENTIAL GEAR
DIFFERENTIAL LOCK
ELECTRICAL
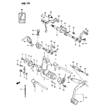
FOOTREST
FRAME
FRONT BRAKE HORSE
FRONT FENDER
FRONT MASTER CYLINDER
FRONT SUSPENSION ARM
FRONT WHEEL
FRONT WHEEL BRAKE
FUEL TANK
GEAR SHIFTING
HANDLE LEVER
HANDLEBAR - CABLE
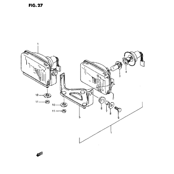
HEADLAMP
KNUCKLE COVER
LABEL
MAGNETO
OIL PUMP - FUEL PUMP
OPTIONAL
REAR BRAKE
REAR FENDER
REAR SUSPENSION ARM
REAR WHEEL
RECOIL STARTER
SEAT
SPEEDOMETER
STARTER CLUTCH
STARTING MOTOR
STEERING SHAFT
TAIL LAMP
TIE ROD
TRANSMISSION
TRANSMISSION LEVER
WIRING HARNESS
Fuel Your Passion
Parts That Keep You Riding
Edit ride