- Partiron
- OEM Parts
- Suzuki
- All Terrain Vehicle
- 1997
- LT-4WD (1997)
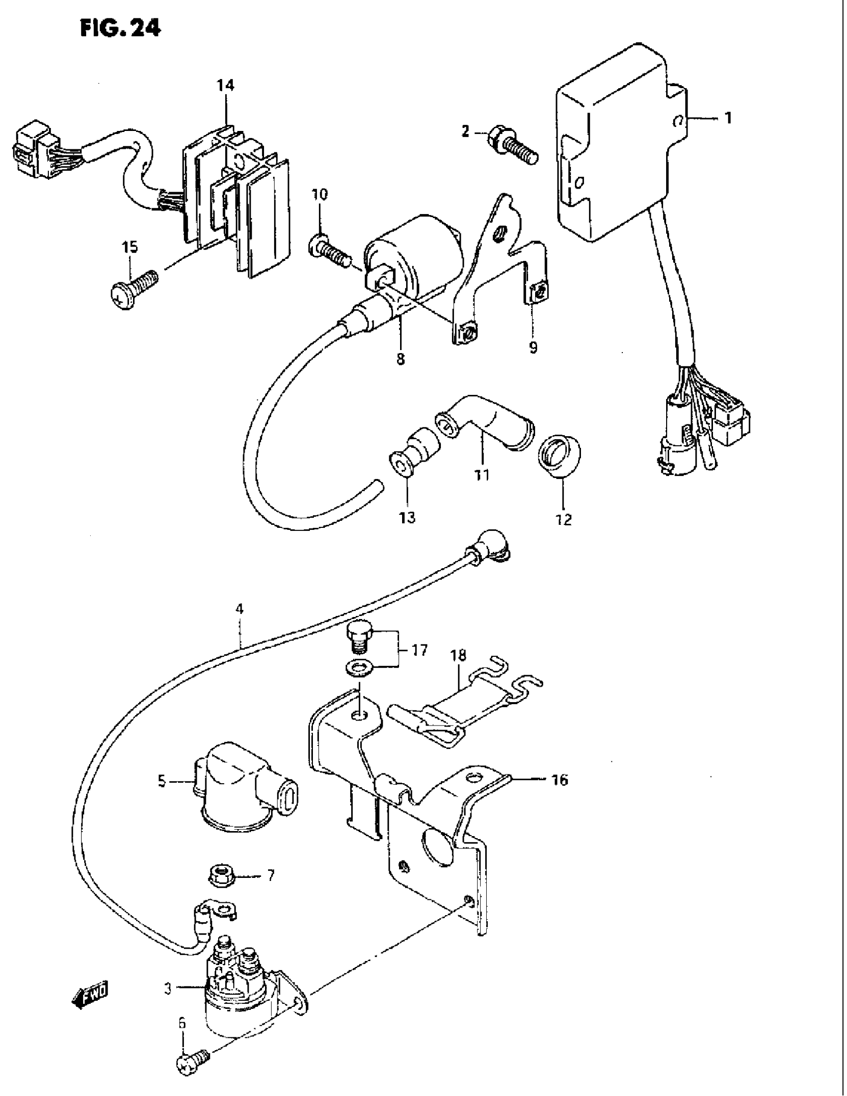
ELECTRICAL
Suzuki LT-4WD (1997) ELECTRICAL Diagram
#
Description
Price
1
C.D.1 UNIT
32900-19B50
Unavailable
4
LEAD WIRE, STARTING MOTOR
33850-19800
Unavailable
9
BRACKET, IGNITION COIL
33416-19B00
Unavailable
18
BAND, TOOL
09462-00090
Unavailable
