- Partiron
- OEM Parts
- Suzuki
- All Terrain Vehicle
- 1997
- LT-4WD (1997)
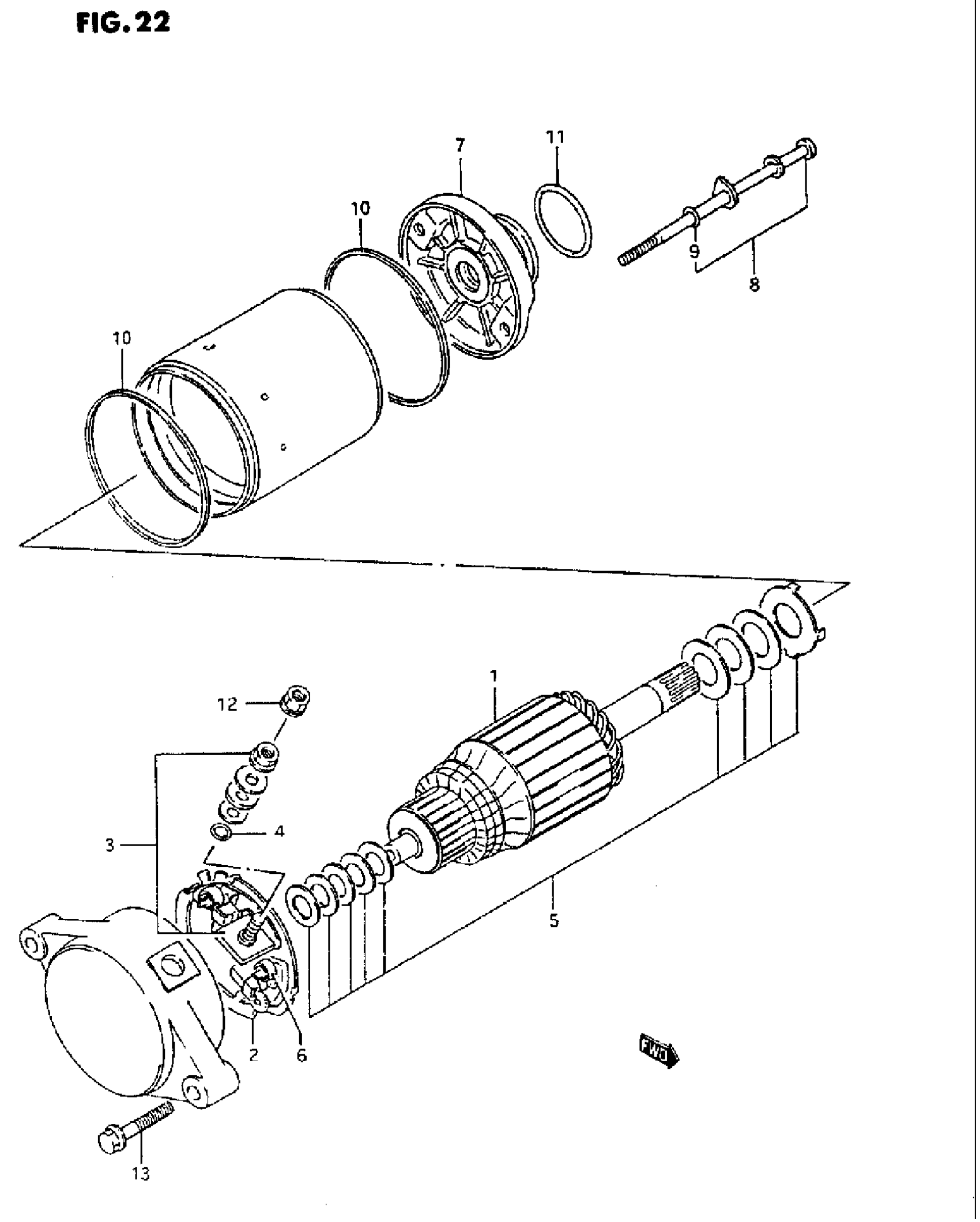
STARTING MOTOR
Suzuki LT-4WD (1997) STARTING MOTOR Diagram
#
Description
Price
1
ARMATURE
31311-19B12
Unavailable
7
BRACKET ASSY, FRORIT
31150-19B10
Unavailable
8
BOLT SET
31280-19B10
Unavailable
