- Partiron
- OEM Parts
- Suzuki
- All Terrain Vehicle
- 1997
- LT-4WD (1997)
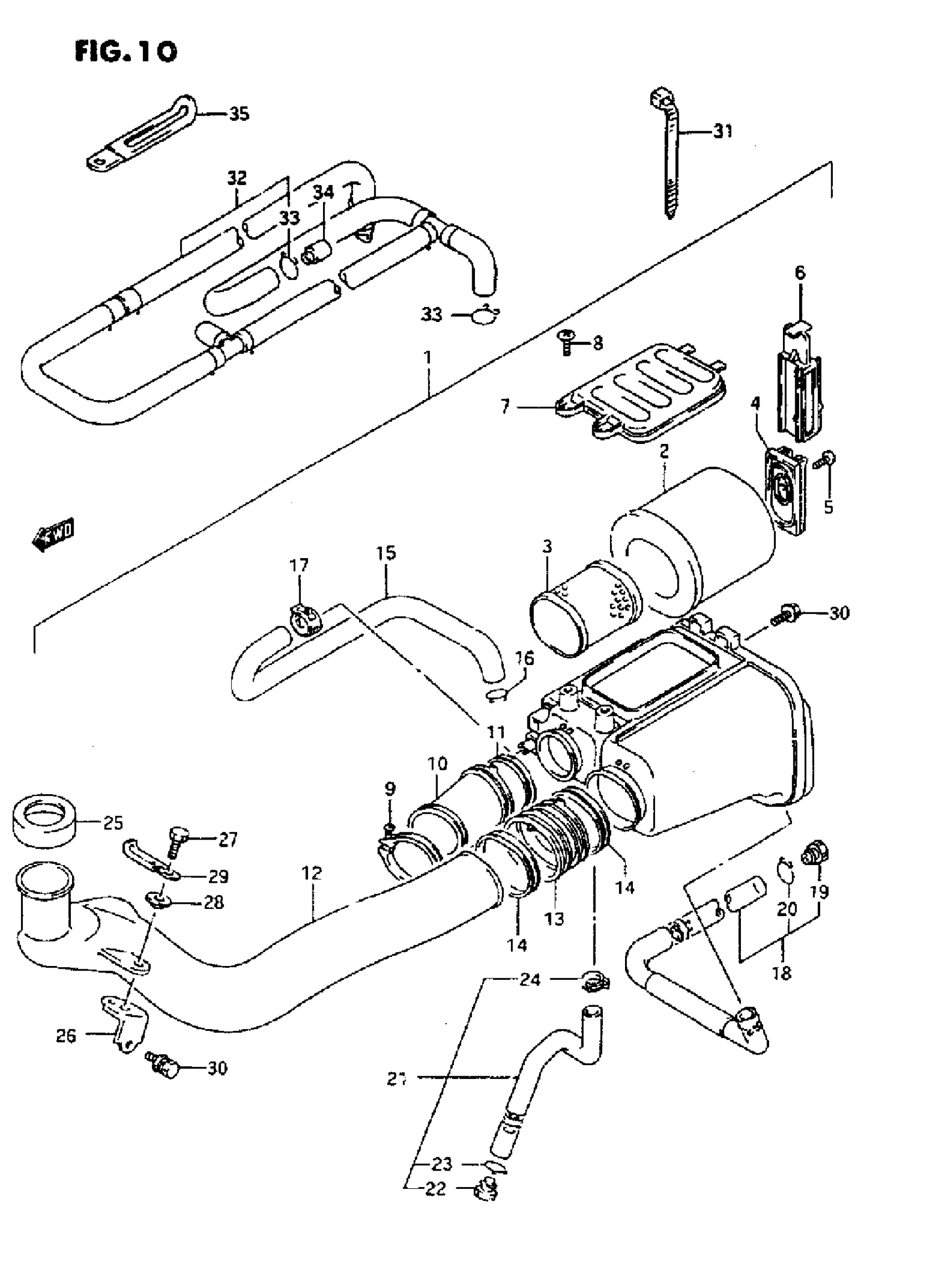
AIR CLEANER
Suzuki LT-4WD (1997) AIR CLEANER Diagram
#
Description
Price
1
NO DESCRIPTION AVAILABLE This part replaces 13700-39D00.
13700-39D01
Unavailable
15
TUBE, BREATHER
13853-19B00
Unavailable
18
TUBE ASSY, DRAIN
13870-19B80
Unavailable
21
TUBE ASSY,DRAIN This part replaces 13870-39D00.
13870-39D01
Unavailable
34
CHECK VALVE COMP | OPT
13860-19B80
Unavailable
