GSX-R750N (1992)
AIR CLEANER
ALTERNATOR
BATTERY
CAM CHAIN
CAM SHAFT / VALVE
CANISTER (CALIFORNIA ONLY)
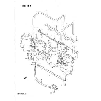
CARBURETOR (CALIFORNIA ONLY)
CARBURETOR (OTHER THAN CALIFORINA)
CARBURETOR FITTINGS (CALIFORNIA ONLY)
CARBURETOR FITTINGS (OTHER THAN CALIFORNIA)
CLUTCH
COWLING BODY (MODEL M 05X)
COWLING BODY (MODEL M 3SL)
COWLING BODY (MODEL N 3WC)
COWLING BODY (MODEL N L97)
COWLING FITTING SET
CRANKCASE
CRANKCASE COVER
CRANKSHAFT
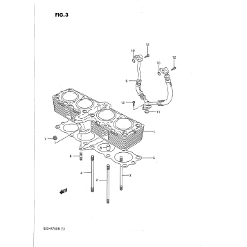
CYLINDER
CYLINDER HEAD
CYLINDER HEAD COVER
ELECTRICAL
FOOTREST
FRAME
FRAME COVER (MODEL M)
FRAME COVER (MODEL N)
FRONT BRAKE HOSE
FRONT CALIPERS
FRONT DAMPER
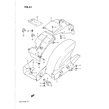
FRONT FENDER
FRONT MASTER CYLINDER
FRONT WHEEL
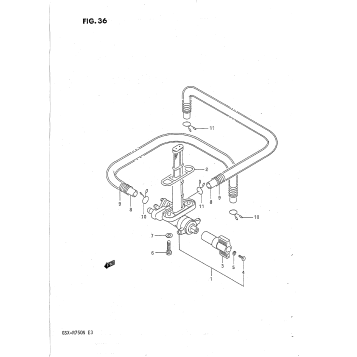
FUEL COCK
FUEL TANK (MODEL M)
FUEL TANK (MODEL N)
GEAR SHIFTING
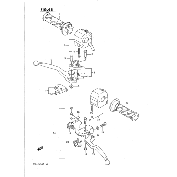
HANDLE SWITCH
HANDLEBAR
HEADLAMP
MUFFLER
OIL COOLER
OIL PAN
OIL PUMP
OPTIONAL
REAR CALIPER
REAR CUSHION LEVER
REAR FENDER
REAR MASTER CYLINDER
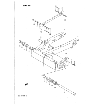
REAR SWINGING ARM
REAR WHEEL
SEAT
SECOND AIR (CALIFORNIA ONLY)
SIGNAL GENERATOR
SPEEDOMETER
STAND
STARTER CLUTCH
STARTING MOTOR
STEERING DAMPER
STEERING STEM
TAIL LAMP
TRANSMISSION
TURNSIGNAL LAMP
WIRING HARNESS
Fuel Your Passion
Parts That Keep You Riding
Edit ride