- Partiron
- OEM Parts
- Suzuki
- Motorcycle
- 1992
- GSX-R750N (1992)
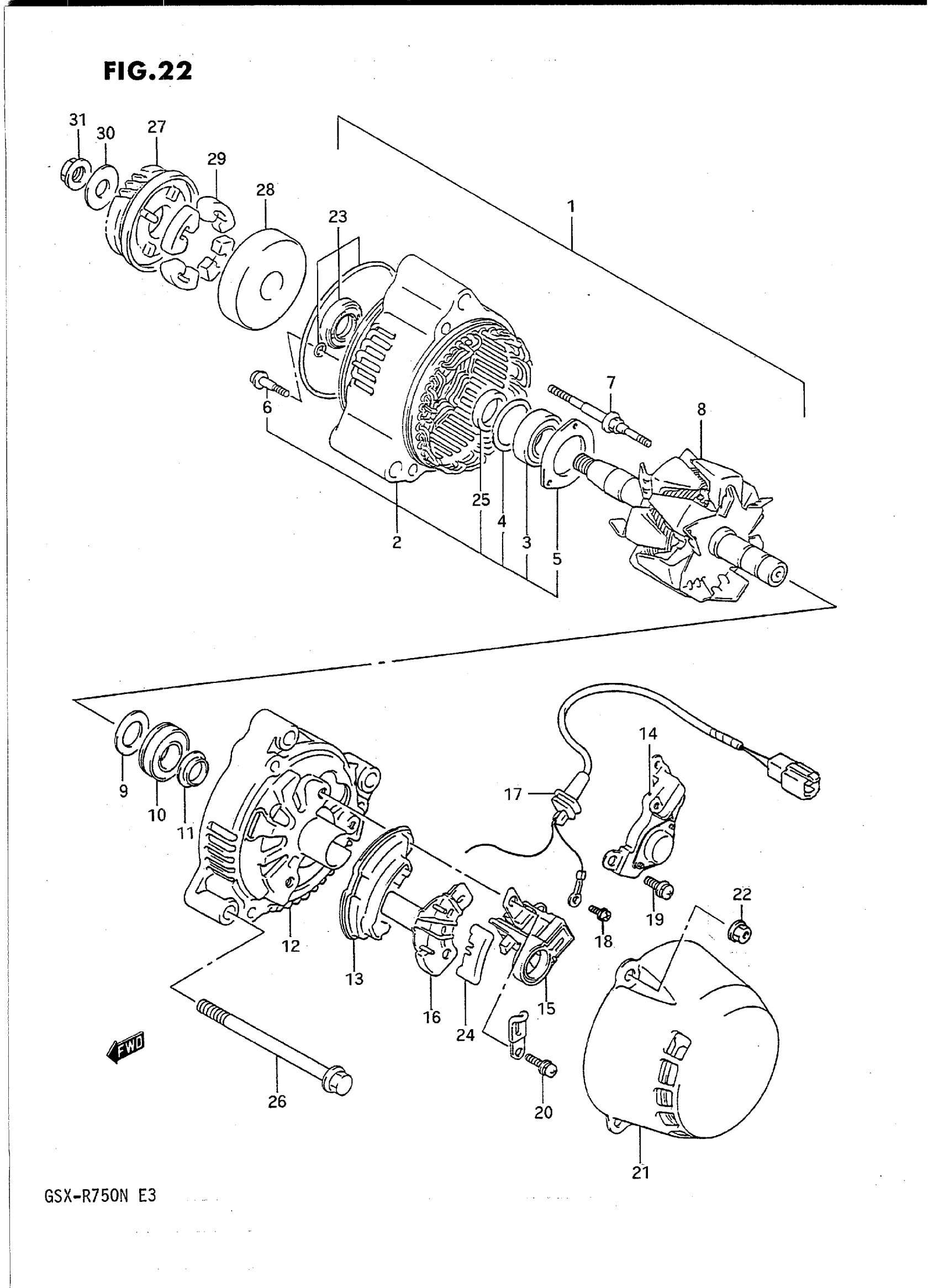
ALTERNATOR
Suzuki GSX-R750N (1992) ALTERNATOR Diagram
#
Description
Price
1
ALTERNATOR ASSY | Includes Item(s) 2 - 25 This part replaces 31400-48B03.
31400-17C04
Unavailable
2
FRAME, DRIVE END
31580-48B00
Unavailable
3
BEARING
31612-06B00
Unavailable
4
COVER, BEARING
31613-48B00
Unavailable
5
RETAINER, BEARING
31585-48B00
Unavailable
6
SCREW, BEARING RETAINER
31586-48B00
Unavailable
7
STUD BOLT This part replaces 31587-19C00.
31587-85250
Unavailable
8
ROTOR ASSY This part replaces 31710-48B03.
31710-48B04
Unavailable
9
COVER (1)
31613-82610
Unavailable
11
COVER (2)
31613-27A10
Unavailable
12
FRAME, END
31611-48B00
Unavailable
13
HOLDER, RECTIFIER
31621-27A00
Unavailable
14
REGULATOR
32500-27A00
Unavailable
15
HOLDER, BRUSH
31656-48B00
Unavailable
17
LEAD WIRE
31480-48B00
Unavailable
19
SCREW (5X17)
31688-27A00
Unavailable
20
SCREW (5X17) This part replaces 31688-06B00.
31688-27A00
Unavailable
21
COVER
31614-48B00
Unavailable
22
NUT
08316-16055
Unavailable
25
SPACER
31776-06B00
Unavailable
27
GEAR, GENERATOR DRIVEN (NT:30) This part replaces 22730-19C01.
22730-19C02
Unavailable
28
HOUSING DAMPER This part replaces 22733-27A04.
22733-27A05
Unavailable
