- Partiron
- OEM Parts
- Suzuki
- Motorcycle
- 1992
- GSX-R750N (1992)
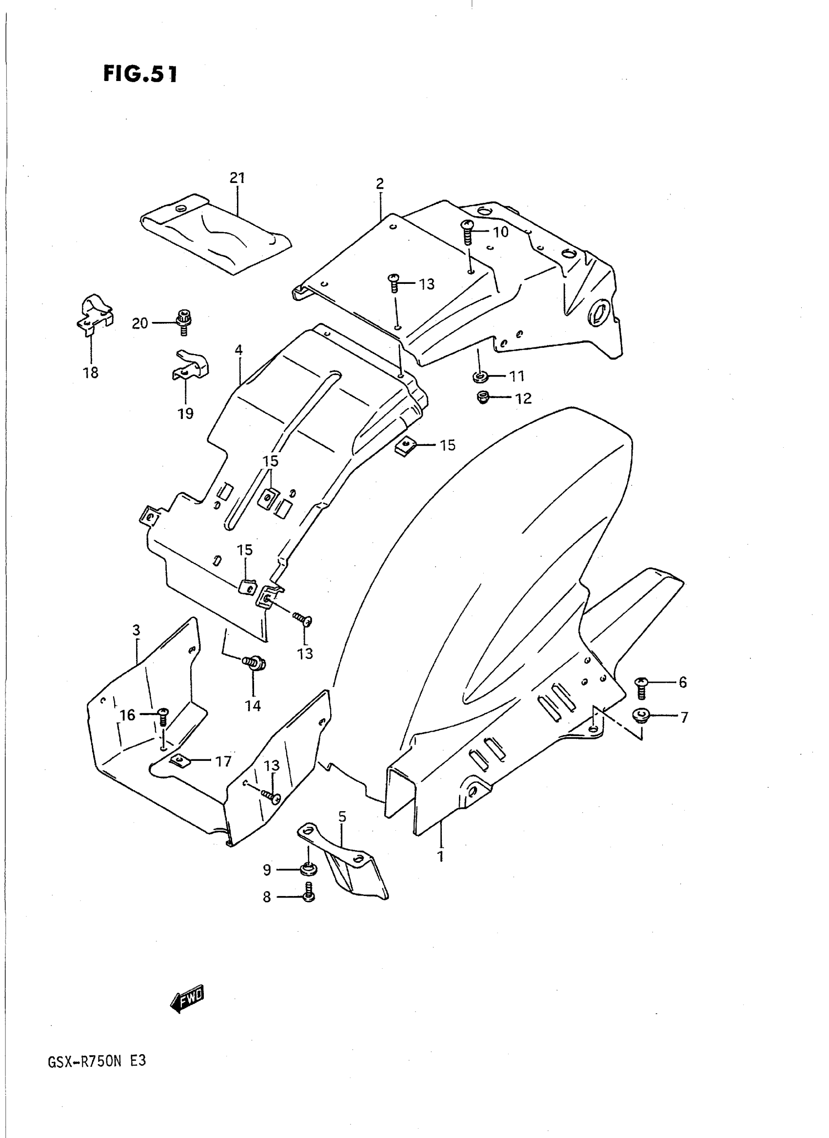
REAR FENDER
Suzuki GSX-R750N (1992) REAR FENDER Diagram
#
Description
Price
1
FENDER, REAR LOWER
63110-40C00
Unavailable
2
FENDER, REAR UPPER
63112-18D00
Unavailable
3
FENDER, REAR UPPER FRONT This part replaces 63113-40C00.
63113-40C10
Unavailable
3
FENDER, REAR UPPER FRONT | CALIFORNIA ONLY
63113-40C10
Unavailable
4
FENDER, REAR UPPER FRONT
63114-17C00
Unavailable
5
MUD GUARD, REAR UNIT This part replaces 63411-42A00.
63411C42A00J000
Unavailable
18
HOLDER, HELMET RH
95721-18D00
Unavailable
19
HOLDER, HELMET LH
95731-18D00
Unavailable
21
TOOL ASSY This part replaces 09800-20036.
09800-21006
Unavailable
