RM80 (1996)
AIR CLEANER
CARBURETOR
CDI UNIT - IGNITION COIL
CLUTCH
CRANKCASE
CRANKCASE COVER- WATER PUMP
CRANKSHAFT
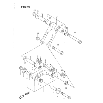
CUSHION LEVER
CYLINDER
EXHAUST VALVE
FRAME
FRAME COVER
FRONT DAMPER
FRONT FENDER
FRONT MASTER CYLINDER
FRONT WHEEL
FUEL COCK
FUEL TANK (MODEL T)
FUEL TANK (MODEL V)
FUEL TANK (MODEL W)
FUEL TANK (MODEL X)
GEAR SHIFTING
HANDLE LEVER
HANDLEBAR - CABLE
KICK STARTER
LABEL
MAGNETO
MUFFLER
OPTIONAL
RADIATOR
REAR BRAKE
REAR CALIPERS
REAR FENDER
REAR MASTER CYLINDER
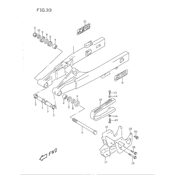
REAR SWINGING ARM
REAR WHEEL
SEAT
SHOCK ABSORBER
STAND
STEERING STEM
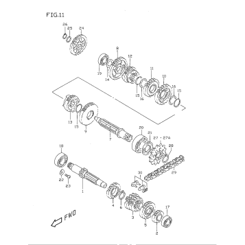
TRANSMISSION
Fuel Your Passion
Parts That Keep You Riding
Edit ride