Partiron

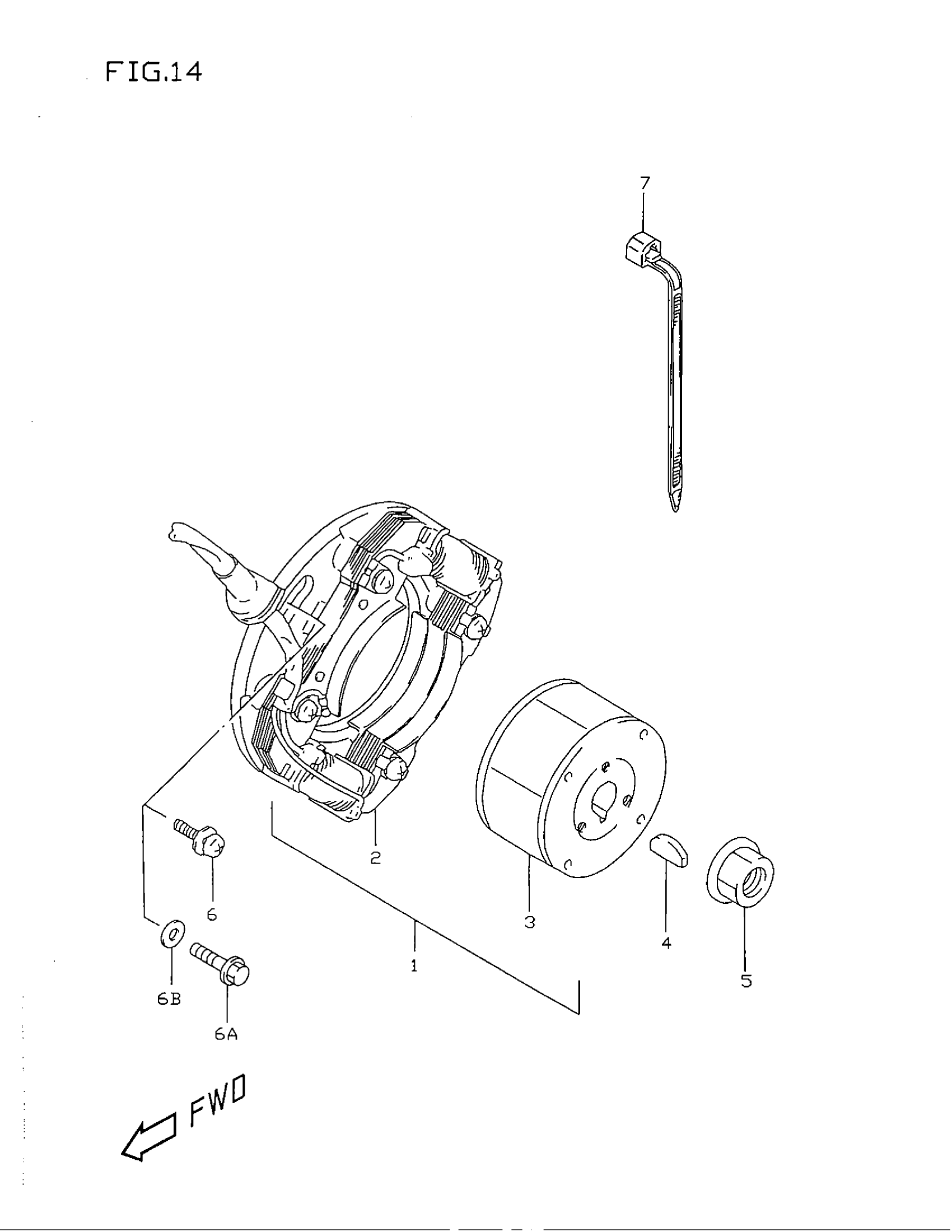
Suzuki RM80 (1999) MAGNETO Diagram

#

Description
Price

1

MAGNETO ASSY | Includes Item(s) 2 - 3 This part replaces 32100-02B31.

32100-02B32

Unavailable

2

STATOR This part replaces 32101-02B31.

32101-02B32

$436.10

3

ROTOR This part replaces 32102-02B30.

32102-02B31

Unavailable

4

KEY

09420-04008

$3.42

5

NUT This part replaces 08316-10103.

08316-1010B

$2.66

6

SCREW | MODEL T This part replaces 02112-16203.

02112-1620B

$2.62

6A

..BOLT | MODEL V/W/X This part replaces 01547-06203.

01547-0620B

$2.45

6B

.WASHER | MODEL V/W/X This part replaces 08322-01063.

08322-0106B

$2.26

7

CLAMP (L:125)

09407-14403

$2.26

7

CLAMP This part replaces 09407-18403.

09407-18402

$2.19