LT-F230 (1987)
AIR CLEANER
BACKUP LAMP (OPTIONAL)
BATTERY
BRAKE HOSE
CAM CHAIN
CAM SHAFT - VALVE
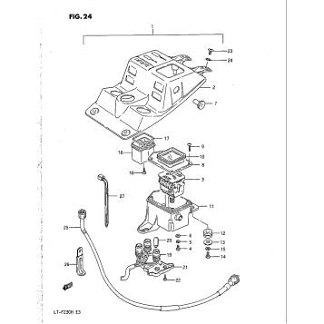
CARBURETOR
CARRIER
CLUTCH
CONTROL CABLE
COOLING FAN (OPTIONAL)
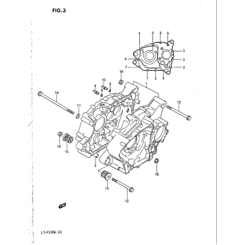
CRANKCASE
CRANKCASE COVER
CRANKSHAFT
CYLINDER
CYLINDER HEAD
ELECTRICAL
FINAL DRIVE
FOOTREST
FRAME
FRONT FENDER
FRONT MASTER CYLINDER
FRONT WHEEL
FRONT WHEEL BRAKE
FUEL TANK
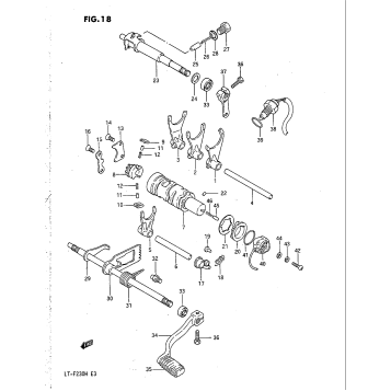
GEAR SHIFTING
HANDLE SWITCH
HANDLEBAR - STEERING
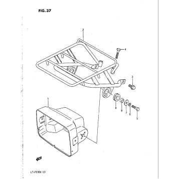
HEADLAMP
HEADLAMP HOUSING
LEFT REAR WHEEL
MAGNETO
MUFFLER
ODOMETER
OIL PUMP - FUEL PUMP
OPTIONAL
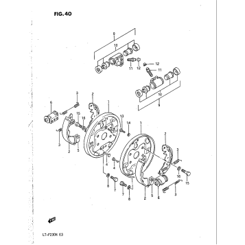
REAR BRAKE
REAR FENDER
RECOIL STARTER
RIGHT REAR WHEEL - UNDER GUARD
SEAT
SECONDARY DRIVE GEAR
STARTER CLUTCH
STARTING MOTOR
SUSPENSION ARM
TAIL LAMP
TIE ROD
TRAILER BAR - TIRE TRACTION BELT (OPT)
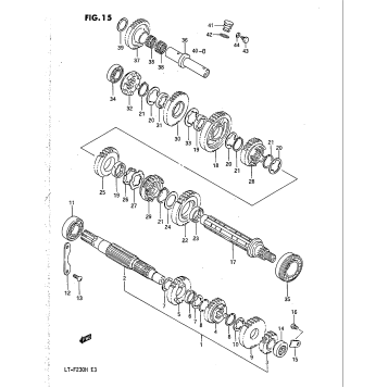
TRANSMISSION (1)
TRANSMISSION (2)
WIRING HARNESS
Fuel Your Passion
Parts That Keep You Riding
Edit ride