Commander STD, XT, 800R EFI, 2012
01- Cooling System
01- Crankcase
01- Crankshaft, Piston And Cylinder
01- Cylinder Head, Front
01- Cylinder Head, Rear
01- Engine
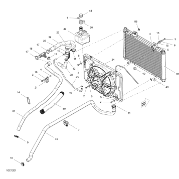
01- Engine Cooling
01- Engine Lubrication
01- Exhaust System
02- Air Intake
02- Air Intake Manifold And Throttle Body
02- Fuel System
03- Magneto And Electric Starter
05- Gear Box 1_(Type 684784) (Type 684786)
05- Gear Box 1_(Type 684788) (Type 684789)
05- Gear Box 2_(Type 684784) (Type 684786)
05- Gear Box 2_(Type 684788) (Type 684789)
05- Transmission
06- Brakes
07- Drive System, Front STD And XT
07- Front Suspension
07- Steering
08- Drive Shaft
08- Drive System, Rear
08- Rear Suspension
09- Body And Accessories
09- Cab Interior
09- Decals
09- Frame
09- Frame Safety Cage
09- Mirrors And Tools
09- Rear Cargo Box 1 Common Parts
09- Rear Cargo Box Body
09- Seat
10- Electrical Harness Rear
10- Electrical Harness Rear Europe
10- Electrical System
10- Electrical System Europe
10- Electrical System STD, X, XT, LTD
10- Engine Harness And Electronic Module
10- Main Harness
10- Main Harness Europe
Fuel Your Passion
Parts That Keep You Riding
Edit ride