XPLORER 4X4 - A02CG25CA
A-ARM/STRUT MOUNTING - A02CG25CA (4969856985B05)
AIR BOX - A02CG25CA (4969856985A11)
BRAKE (FRONT) - A02CG25CA (4969856985B06)
BRAKE (REAR) - A02CG25CA (4969856985B08)
BRAKE LINE/MASTER CYLINDER - A02CG25CA (4969856985B07)
BUMPER and RACK MOUNTING - A02CG25CA (4969856985A05)
CARBURETOR - A02CG25CA (4969856985C14)
CLUTCH COVER - A02CG25CA (4969856985C05)
CONTROLS - THROTTLE ASM/CABLE - A02CG25CA (4969856985B03)
COOLING SYSTEM - A02CG25CA (4969856985C07)
CRANKCASE and CYLINDER - A02CG25CA (4969856985C08)
CRANKSHAFT and PISTON - A02CG25CA (4969856985C09)
CV JOINT/NEAPCO - A02CG25CA (4969856985B01)
DECALS - A02CG25CA (4969856985A06)
DRIVE CLUTCH - A02CG25CA (4969856985C03)
DRIVEN CLUTCH - A02CG25CA (4969856985C04)
ELECTRICAL/TAILLIGHT - A02CG25CA (4969856985C06)
ENGINE MOUNTING - A02CG25CA (4969856985A07)
EXHAUST SYSTEM - A02CG25CA (4969856985A08)
FRONT CAB - A02CG25CA (4969856985A03)
FRONT HOUSING - A02CG25CA (4969856985A14)
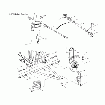
FRONT STRUT - A02CG25CA (4954855485B006)
FUEL TANK - A02CG25CA (4969856985A09)
GEAR SELECTOR - A02CG25CA (4969856985B13)
GEARCASE - A02CG25CA (4969856985C01)
HANDLEBAR - A02CG25CA (4969856985A12)
MAGNETO - A02CG25CA (4969856985C10)
OIL PUMP - A02CG25CA (4969856985C13)
OIL TANK - A02CG25CA (4969856985A10)
PROP SHAFT - A02CG25CA (4969856985B14)
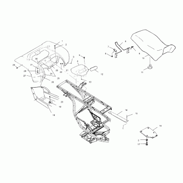
REAR CAB and SEAT - A02CG25CA (4969856985A04)
REAR CALIPER MOUNTING - A02CG25CA (4969856985B10)
REAR HOUSING - A02CG25CA (4969856985B11)
RECOIL STARTER - A02CG25CA (4969856985C12)
STARTING MOTOR - A02CG25CA (4969856985C11)
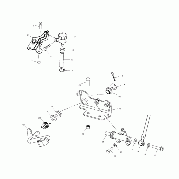
STEERING POST - A02CG25CA (4969856985B04)
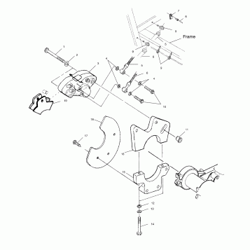
SWING ARM/SHOCK MOUNTING - A02CG25CA (4969856985B09)
TOOL KIT - A02CG25CA (4969856985D01)
WHEEL (FRONT) - A02CG25CA (4969856985B02)
WHEEL (REAR) - A02CG25CA (4969856985B12)
Fuel Your Passion
Parts That Keep You Riding
Edit ride