RMX250 (1995)
MUFFLER
AIR CLEANER
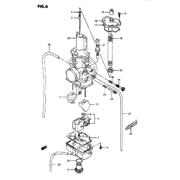
CARBURETOR (MODEL K/L/M/N)
CLUTCH (MODEL N/P)
CLUTCH (MODEL R/S)
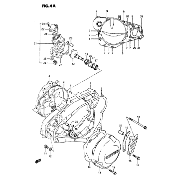
CRANKCASE COVER (MODEL K)
CRANKCASE COVER (MODEL L/M/N/P/R/S)
CRANKSHAFT (MODEL L/M/N)
CRANKSHAFT (MODEL P/R)
CRANKSHAFT (MODEL S)
CUSHION LEVER (MODEL K/L)
CUSHION LEVER (MODEL M/N/P/R/S)
CYLINDER
EXHAUST VALVE (MODEL L/M/N)
EXHAUST VALVE (MODEL P/R/S)
FRAME - SEAT (MODEL K/L/M/N)
FRAME - SEAT (MODEL P/R/S)
FRAME COVER (MODEL K/L/M)
FRAME COVER (MODEL N/P/R/S)
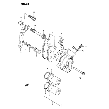
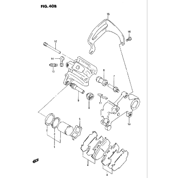
FRONT CALIPER (MODEL K/L)
FRONT CALIPER (MODEL M/N/P/R/S)
FRONT DAMPER (MODEL L)
FRONT DAMPER (MODEL M)
FRONT DAMPER (MODEL P/R/S)
FRONT FENDER
FRONT MASTER CYLINDER
FRONT WHEEL (MODEL K/L)
FRONT WHEEL (MODEL M)
FRONT WHEEL (MODEL N/P/R/S)
FUEL COCK
FUEL TANK
GEAR SHIFTING
HEADLAMP
KICK STARTER
LEFT KNUCKLE COVER (MODEL K/L/M)
LEFT KNUCKLE COVER (MODEL N/P/R/S)
MAGNETO
OPTIONAL
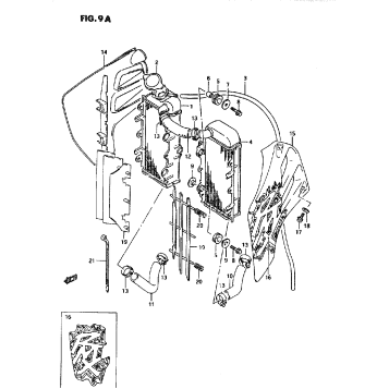
RADIATOR (MODEL R/S)
REAR BRAKE
REAR CALIPER (MODEL P/R/S)
REAR CALIPERS (MODEL N)
REAR FENDER
REAR MASTER CYLINDER (MODEL K)
REAR MASTER CYLINDER (MODEL L)
REAR MASTER CYLINDER (MODEL M/N/P/R/S)
REAR SWINGING ARM (MODEL K/L)
REAR SWINGING ARM (MODEL M/N)
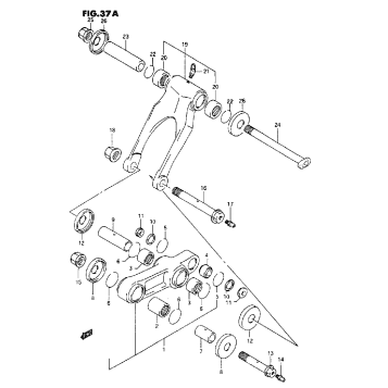
REAR SWINGING ARM (MODEL P/R/S)
REAR WHEEL (MODEL K/L/M)
REAR WHEEL (MODEL N/P/R/S)
RIGHT KNUCKLE COVER (MODEL K/L/M)
SHOCK ABSORBER (MODEL K/L)
SHOCK ABSORBER (MODEL M/N)
STAND - FOOTREST (MODEL K/L/M/N)
STAND - FOOTREST (MODEL P/R/S)
STEERING STEM (MODEL M/N)
TAIL LAMP
TRANSMISSION
TRIP METER (MODEL K/L)
Fuel Your Passion
Parts That Keep You Riding
Edit ride