- Partiron
- OEM Parts
- Suzuki
- Motorcycle
- 1995
- RMX250 (1995)
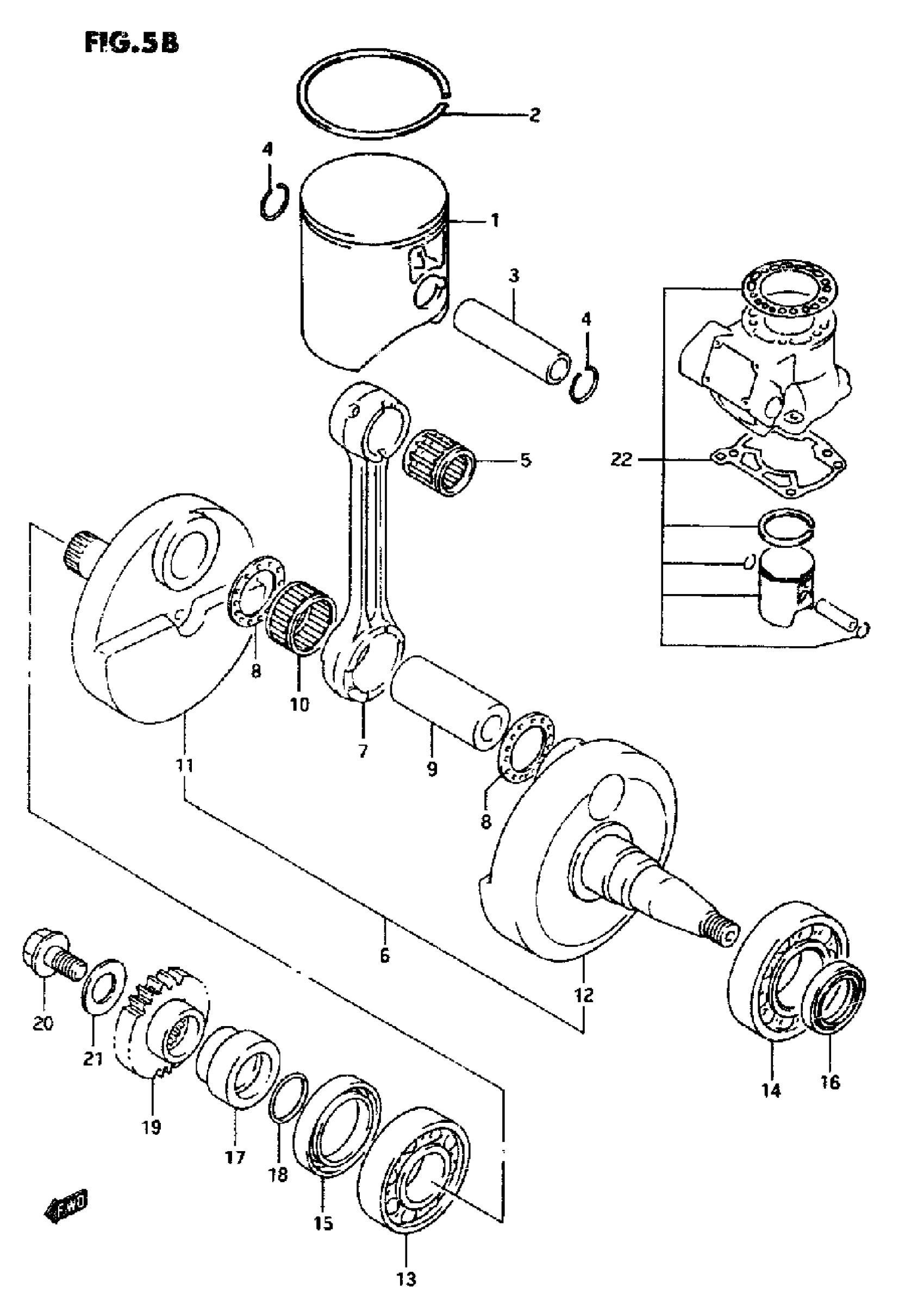
CRANKSHAFT (MODEL P/R)
Suzuki RMX250 (1995) CRANKSHAFT (MODEL P/R) Diagram
#
Description
Price
1
PISTON
12110-05D03-0F0
Unavailable
6
CRANKSHAFT ASSY
12200-29E00
Unavailable
7
ROO, CONNECTING
12161-28C30
Unavailable
11
CRANKSHAFT. RH
12221-29E00
Unavailable
12
CRANKSHAFF, LH
12261-29E00
Unavailable
13
BEARING, RH (25X62XL7)
09262-25108
Unavailable
15
OIL SEAL, RH (36X52X8)
09283-36007
Unavailable
17
SPACER
12359-00B20
Unavailable
19
GEAR, PRIMARY DRIVE (NT:23) This part replaces 21111-14320.
21111-14321
Unavailable
22
TOP END KIT, ENGINE | OPT
12100-29831
Unavailable
