RM80 (1993)
AIR CLEANER (G)
AIR CLEANER (H/J/K/L/M/N/P/R)
CARBURETOR (G/H/J)
CARBURETOR (K/L/M/N/P/R)
CDI UNIT-IGNITION COIL
CLUTCH (G/H/J)
CLUTCH (K/L/M/N/P/R)
COLOR CHART
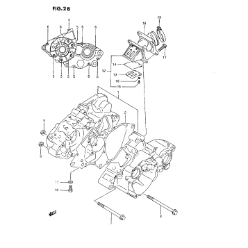
CRANKCASE (G/H/J)
CRANKCASE (K)
CRANKCASE (L/M/N/P/R)
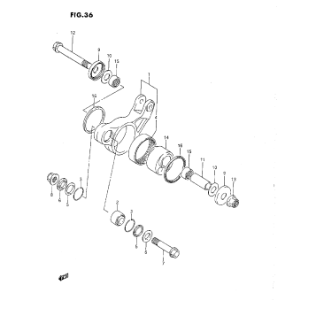
CRANKCASE COVER-WATER PUMP (G/H/J)
CRANKCASE COVER-WATER PUMP (K/L/M/N/P/R)
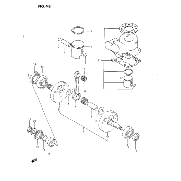
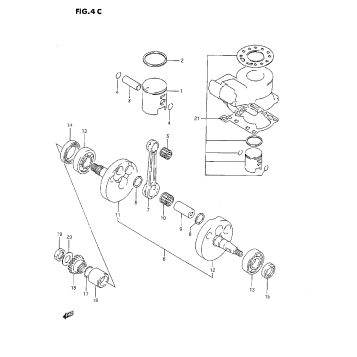
CRANKSHAFT (G/H)
CRANKSHAFT (J)
CRANKSHAFT (K)
CRANKSHAFT (L)
CRANKSHAFT (M/N/P/R)
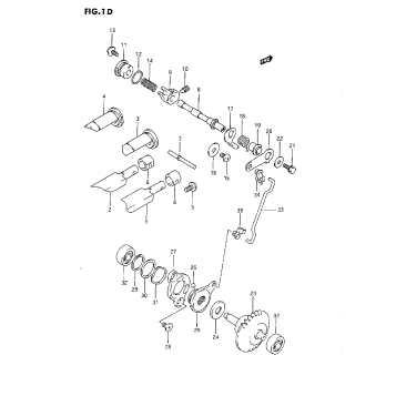
CUSHION LEVER (G)
CUSHION LEVER (H/J/K)
CUSHION LEVER (L/M/N/P/R)
CYLINDER (G/H/J)
CYLINDER (K)
CYLINDER (L)
CYLINDER (M/N/P/R)
EXHAUST VALVE (K/L/M/N/P/R)
FRAME COVER (G/H/J/K/L)
FRAME COVER (M/N)
FRAME COVER (P/R)
FRAME-SEAT (G)
FRAME-SEAT (H/J/K/L)
FRAME-SEAT (M/N)
FRAME-SEAT (P/R)
FRONT BRAKE HOSE
FRONT CALIPER
FRONT FENDER
FRONT FORK (G/H/J)
FRONT FORK (K)
FRONT FORK (L/M/N/P/R)
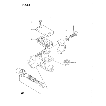
FRONT MASTER CYLINDER (G/H/J)
FRONT MASTER CYLINDER (K/L/M/N/P/R)
FRONT NUMBER PLATE
FRONT WHEEL (G/H/J/K)
FRONT WHEEL (L/M/N/P/R)
FUEL COCK
FUEL TANK (G/H)
FUEL TANK (J/K)
FUEL TANK (L/M)
FUEL TANK (N/P)
FUEL TANK (R)
GEAR SHIFTING (G/H/J)
GEAR SHIFTING (K/L/M/N/P/R)
HANDLE SWITCH (K/L/M/N/P/R)
HANDLEBAR-CONTROL CABLE
KICK STARTER
LEFT HANDLE GRIP (G/H/J)
MAGNETO
MUFFLER (G/H/J)
MUFFLER (K/L/M/N/P/R)
OPTIONAL
RADIATOR (G/H/J/K/L/M/N/P)
RADIATOR (R)
REAR BRAKE (G/H/J/K)
REAR BRAKE (L/M/N/P/R)
REAR CALIPERS (L/M/N/P/R)
REAR FENDER (G/H/J/K/L/M)
REAR FENDER (N/P/R)
REAR MASTER CYLINDER (L)
REAR MASTER CYLINDER (M/N/P/R)
REAR SHOCK ABSORBER (G)
REAR SHOCK ABSORBER (H/J)
REAR SHOCK ABSORBER (K)
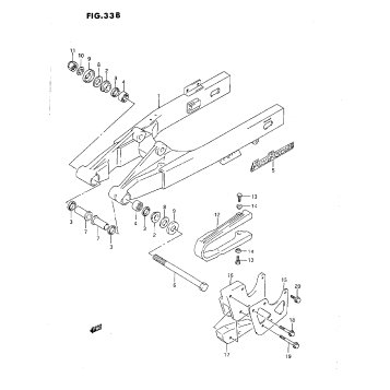
REAR SWINGING ARM (G/H/J)
REAR SWINGING ARM (K)
REAR SWINGING ARM (L)
REAR SWINGING ARM (M/N/P/R)
REAR WHEEL (G/H/J/K)
REAR WHEEL (L/M/N/P/R)
RIGHT HANDLE SWITCH (G/H/J)
SHOCK ABSORBER (L)
SHOCK ABSORBER (M/N/P/R)
STAND
STEERING STEM (G/H/J)
STEERING STEM (K)
STEERING STEM (L/M/N/P/R)
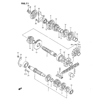
TRANSMISSION
Fuel Your Passion
Parts That Keep You Riding
Edit ride