- Partiron
- OEM Parts
- Suzuki
- Motorcycle
- 1993
- RM80 (1993)
CRANKSHAFT (L)
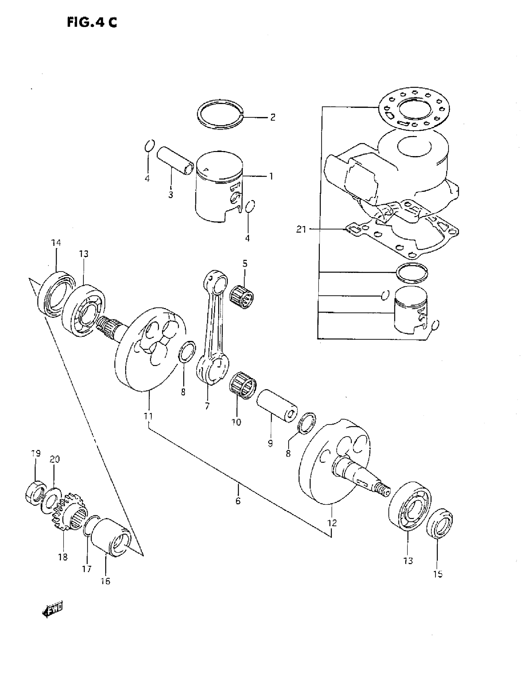
Suzuki RM80 (1993) CRANKSHAFT (L) Diagram
#
Description
Price
1
PISTON
12110-02B43-0F0
Unavailable
1
NO DESCRIPTION AVAILABLE | OPT This part replaces 12110-02B43-050.
12103-02821-050
Unavailable
1
NO DESCRIPTION AVAILABLE | OPT This part replaces 12110-02B43-100.
12103-02820-100
Unavailable
2
RING, PISTON (OS:0.5) | OPT
12141-02B70-050
Unavailable
2
RING, PISTON (OS:1.0) | OPT
12141-02B70-100
Unavailable
6
CRANKSHAFT ASSY
12200-02B50
Unavailable
7
ROD, CONNECTING This part replaces 12161-02B51.
12161-02B52
Unavailable
10
BEARING This part replaces 09263-20076.
09263-20079
Unavailable
11
CRANKSHAFT, RH
12221-02B50
Unavailable
12
CRANKSHAFT, LH
12261-02B50
Unavailable
21
NO DESCRIPTION AVAILABLE | OPT This part replaces 12102-02821.
12102-02823
Unavailable
21
NO DESCRIPTION AVAILABLE | OPT This part replaces 12102-02821-050.
12102-02823-050
Unavailable
