RM125 (1993)
MUFFLER
AIR CLEANER (MODEL N)
AIR CLEANER (MODEL P/R/S)
CARBURETOR (MODEL N/P)
CLUTCH
CRANKCASE COVER - WATER PUMP
CRANKSHAFT
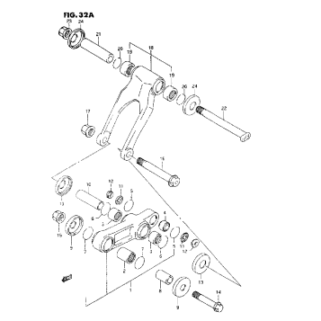
CUSHION LEVER (MODEL N)
CUSHION LEVER (MODEL P/R/S)
ELECTRICAL
EXHAUST VALVE
FRAME - SEAT (MODEL N/P)
FRAME - SEAT (MODEL R/S)
FRAME COVER (MODEL N)
FRAME COVER (MODEL P/R/S)
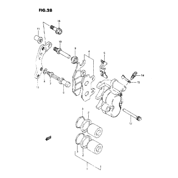
FRONT CALIPER (MODEL N/P/R)
FRONT CALIPER (MODEL S)
FRONT DAMPER (MODEL N)
FRONT DAMPER (MODEL P)
FRONT DAMPER (MODEL R)
FRONT DAMPER (MODEL S)
FRONT FENDER - FRONT NUMBER PLATE
FRONT MASTER CYLINDER
FUEL TANK (MODEL P/R/S)
GEAR SHIFTING
HANDLE SWITCH (MODEL S)
HANDLE SWITCH (N/P/R)
HANDLEBAR
KICK STARTER
MAGNETO
OPTIONAL
RADIATOR (MODEL R/S)
REAR BRAKE
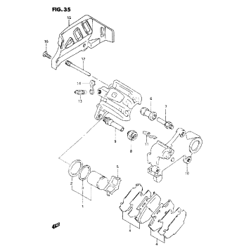
REAR CALIPER (MODEL P/R)
REAR CALIPER (MODEL S)
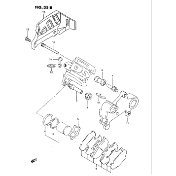
REAR CALIPERS (MODEL N)
REAR FENDER (MODEL P/R/S)
REAR MASTER CYLINDER (MODEL N)
REAR MASTER CYLINDER (MODEL P/R/S)
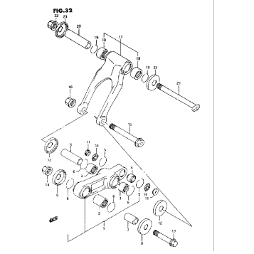
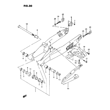
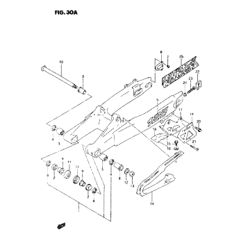
REAR SWINGING ARM
REAR SWINGING ARM (MODEL P/R/S)
REAR WHEEL
SHOCK ABSORBER (MODEL N)
SHOCK ABSORBER (MODEL P)
SHOCK ABSORBER (MODEL R)
SHOCK ABSORBER (MODEL S)
STAND - FOOTREST
STEERING STEM (MODEL N)
STEERING STEM (MODEL P/R/S)
Fuel Your Passion
Parts That Keep You Riding
Edit ride