- Partiron
- OEM Parts
- Suzuki
- Motorcycle
- 1995
- RM125 (1995)
REAR SWINGING ARM
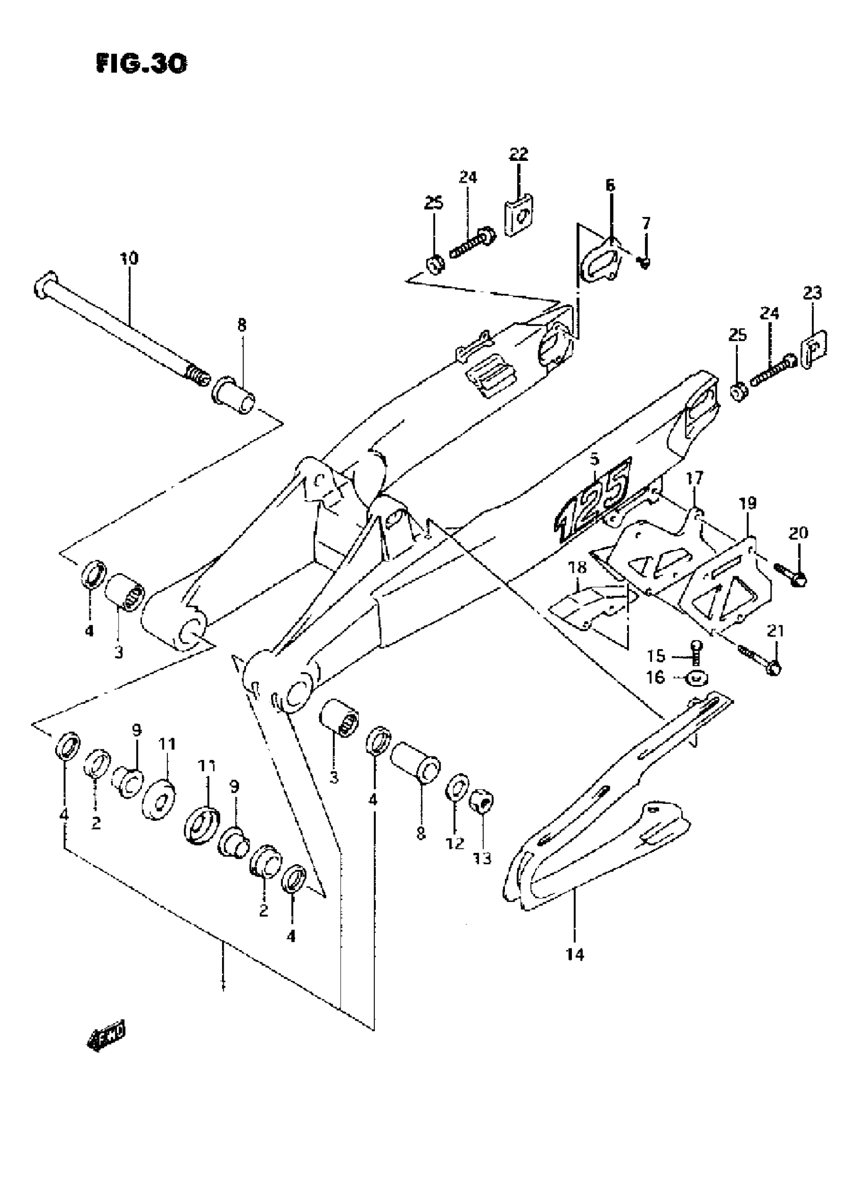
Suzuki RM125 (1995) REAR SWINGING ARM Diagram
#
Description
Price
1
SWINGING ARM ASSY, REAR
61000-43D01
Unavailable
2
BUSH
61261-28C00
Unavailable
5
EMBLEM
68381-27C10-12R
Unavailable
6
PLATE, INNER
61128-28C30
Unavailable
8
SPACER This part replaces 61251-28C00.
61251-05D00
Unavailable
9
SPACER, PIVOT INNER
61252-28C00
Unavailable
19
PLATE, GUIDE OUTER
61342-27C20
Unavailable
20
BOLT, 6 X 20 This part replaces 09103-06146.
09103-06143
Unavailable
22
WASHER, RH
61445-28C30
Unavailable
23
WASHER, LH
61446-43D00
Unavailable
