MX Z X 440, 2003
01- Cooling System
01- Crankcase, Water Pump
01- Crankshaft And Pistons
01- Cylinder, Exhaust Manifold
01- Engine 1
01- Engine 2
01- Exhaust System
02- Air Intake System
02- Carburetors
02- Fuel System
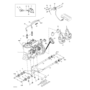
03- Magneto (12V, 290W)
04- Rewind Starter
05- Drive Pulley
05- Drive System
05- Driven Pulley
06- Hydraulic Brake And Belt Guard
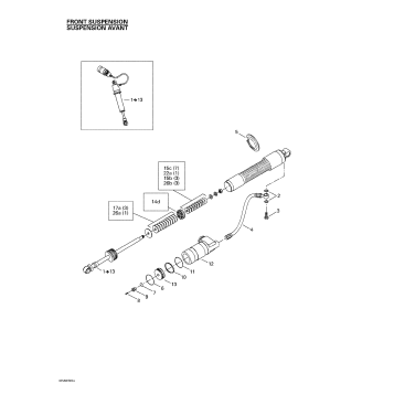
07- Front Suspension And Ski
07- Front Take Apart Shocks
07- Steering System
08- Front Arm
08- Rear Arm
08- Rear Suspension
08- Rear Take Apart Shocks
09- Accessories
09- Bottom Pan
09- Decals
09- Frame
09- Frame - Front And Rear
09- Hood
09- Seat
09- Windshield And Console
10- Electrical System
10- Frame Harness
Fuel Your Passion
Parts That Keep You Riding
Edit ride