GTI LE RFI, 2004
01- Cooling System
01- Crankcase And Rotary Valve
01- Crankshaft, Pistons And Balance Shaft
01- Cylinder And Exhaust Manifold
01- Engine
01- Exhaust
02- Air Intake
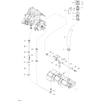
02- Fuel System
02- Oil System
04- Electric Starter
04- Magneto and Oil Pump
05- Propulsion
05- Pump
05- Reverse
07- Off Power Assisted Steering
07- Steering
09- Body
09- Decals
09- Front Storage Compartement
09- Hull
09- Seat
09- Ventilation
10- Electrical Accessories
10- Electrical System
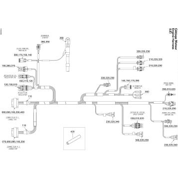
10- Engine Harness (LE)
10- Front Harness (LE)
10- Steering Harness (LE)
Fuel Your Passion
Parts That Keep You Riding
Edit ride