DL650XAM5 (2025)
AIR CLEANER
BATTERY
BATTERY HOLDER
CAM CHAIN
CAMSHAFT/VALVE
CARRIER
CLUTCH
COWLING BODY (DL650A)
COWLING BODY (DL650XA)
CRANKCASE
CRANKCASE COVER
CRANKSHAFT
CYLINDER
CYLINDER HEAD (FRONT)
CYLINDER HEAD (REAR)
ELECTRICAL (E03)
ELECTRICAL (E28)
ELECTRICAL (E33)
EVAP SYSTEM (E33)
FOOTREST
FRAME
FRAME COVER
FRONT BRAKE HOSE
FRONT CALIPER
FRONT FENDER
FRONT FORK DAMPER
FRONT MASTER CYLINDER
FRONT WHEEL (DL650A)
FRONT WHEEL (DL650XA)
FUEL PUMP
FUEL TANK (DL650A:(E03,E28))
FUEL TANK (DL650A:E33)
FUEL TANK (DL650XA:(E03,E28))
FUEL TANK (DL650XA:(E33))
FUEL TANK COVER
GASKET SET
GEAR SHIFTING
HANDLE LEVER ((DL650A))
HANDLE LEVER (DL650XA)
HANDLE SWITCH
HANDLEBAR ((DL650A))
HANDLEBAR ((DL650XA))
HEADLAMP
HYDRAULIC UNIT
KNUCKLE COVER (DL650XA)
LABEL (E03)
LABEL (E28)
LABEL (E33)
LOCK SET
MAGNETO
MUFFLER
OIL COOLER
OIL PUMP
RADIATOR
RADIATOR HOSE
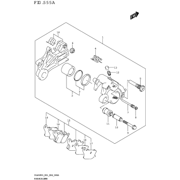
REAR CALIPER
REAR COMBINATION LAMP
REAR CUSHION LEVER
REAR FENDER
REAR MASTER CYLINDER
REAR SWINGINGARM
REAR WHEEL (DL650A)
REAR WHEEL (DL650XA)
SEAT (DL650A)
SEAT (DL650XA)
SIDE COWLING (DL650A)
SIDE COWLING (DL650XA)
SPEEDOMETER (E03,E33)
SPEEDOMETER (E28)
STAND
STARTER CLUTCH
STARTING MOTOR
STEERING STEM
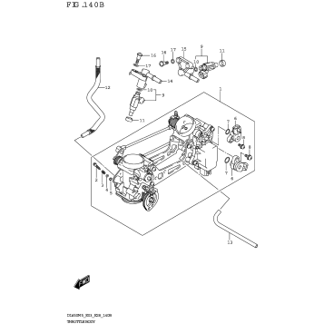
THROTTLE BODY ((E03,E28))
THROTTLE BODY (E33)
TRANSMISSION
TURNSIGNAL LAMP
UNDER COWLING ((DL650XA))
WATER PUMP
WIRING HARNESS (E03,E28)
WIRING HARNESS (E33)
Fuel Your Passion
Parts That Keep You Riding
Edit ride