Traxter Max CVT 650, 2005
01- Belt and Engine Pulley System
01- Cooling System
01- Crankcase
01- Crankshaft, Piston And Cylinder
01- Cylinder Head
01- Engine And Engine Support
01- Engine Cooling
01- Engine Lubrication
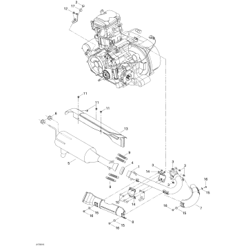
01- Exhaust System
02- Air Intake
02- Carburetor
02- Fuel Tank
03- Magneto
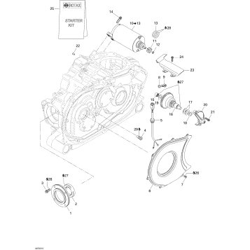
04- Electric Starter
05- Gear Shift
06- Brakes
07- Drive System, Front
07- Front Suspension
07- Steering System
08- Drive System, Rear
08- Rear Suspension
09- Body And Accessories, Front View
09- Body And Accessories, Rear View
09- Decals
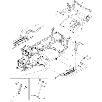
09- Frame
09- Front Storage Compartment
09- Seat
10- Electrical Accessories
10- Electrical Harness, Frame
10- Electrical System
10- Winch, Electrical XT
Fuel Your Passion
Parts That Keep You Riding
Edit ride