SPX, 5838/5839, 1998
01- Cooling System
01- Crankcase, Rotary Valve (787)
01- Crankshaft And Pistons (787)
01- Cylinder, Exhaust Manifold (787)
01- Engine Support And Muffler (787)
02- Air Intake System
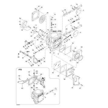
02- Carburetors
02- Fuel System
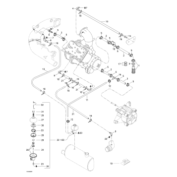
02- Oil Injection System
03- Magneto, Oil Pump (787)
04- Starter
05- Drive System
05- Electric Trim
05- Propulsion System
07- Steering System
09- Accessories
09- Body
09- Decals
09- Front Storage Compartment
09- Seat And Engine Cover
10- Electrical Accessories
10- Electrical Box
10- Electrical Harness
10- Rear Electrical Box
10- Typical Electrical Connections
Fuel Your Passion
Parts That Keep You Riding
Edit ride