RM50 (1979)
AIR CLEANER (RM50C)
AIR CLEANER (RM50N
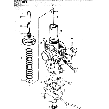
CARBURETOR (RM50C)
CARBURETOR (RM50N
CLUTCH
CRANKCASE
CRANKCASE COVER
CYLINDER (RM50C)
CYLINDER (RM50N
FENDER (RM50C)
FENDER (RM50N
FRAME - SEAT (RM50C)
FRAME - SEAT (RM50N
FRAME COVER (RM50C)
FRAME COVER (RM50N
FRONT FORK (RM50C)
FRONT FORK (RM50N
FRONT WHEEL
FUEL COCK
FUEL TANK (RM50C)
FUEL TANK (RM50N
GEAR SHIFTING
HANDLE SWITCH (RM50C)
HANDLE SWITCH (RM50N
HANDLEBAR - CONTROL CABLE
KICK STARTER
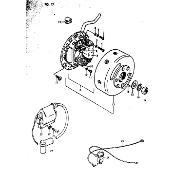
MAGNETO
MUFFLER (RM50C)
MUFFLER (RM50N)
OPTIONAL
PISTON - CRANKSHAFT
PROP STAND - BRAKE PEDAL
REAR SWINGING ARM
REAR SWINGING ARM (RM50C)
REAR WHEEL
TRANSMISSION (RM50C)
TRANSMISSION (RM50N
Fuel Your Passion
Parts That Keep You Riding
Edit ride