- Partiron
- OEM Parts
- Suzuki
- Motorcycle
- 1980
- RM50 (1980)
CARBURETOR (RM50C)
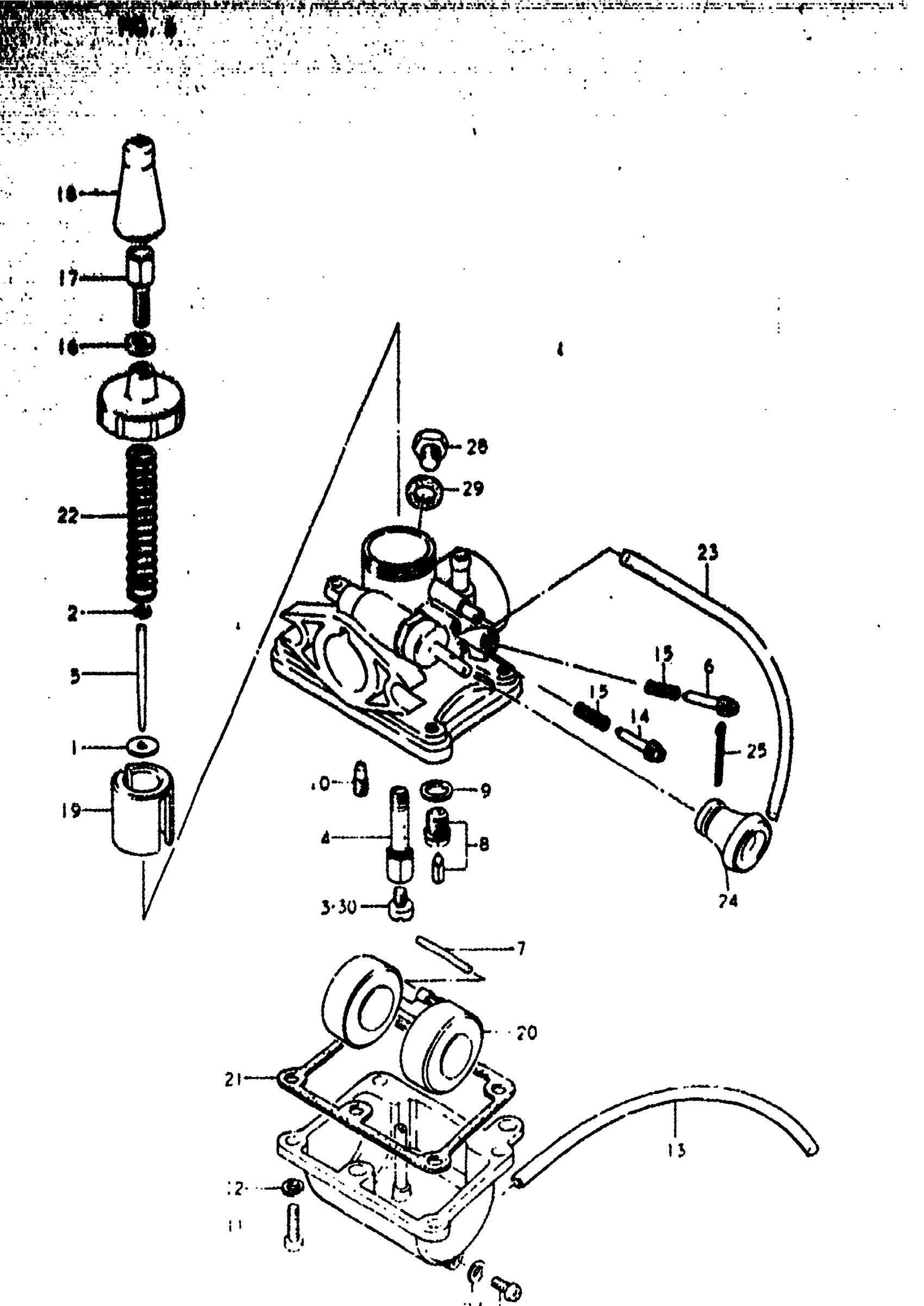
Suzuki RM50 (1980) CARBURETOR (RM50C) Diagram
#
Description
Price
0
CARBURETOR ASSY | Includes Item(s) 1 - 29
13200-46610
Unavailable
1
SEAT, VALVE
13581-46110
Unavailable
2
CLIP, NEODLE
13394-46110
Unavailable
3
JET, MAIN (180)
09491-80008
Unavailable
4
JET, NEEDLE (E-2)
09494-00131
Unavailable
5
NEEDLE, JET This part replaces 13383-19011.
13383-04110
Unavailable
10
JET, PILOT (#20)
09492-20006
Unavailable
19
VALVE, THROTTLE
13551-45110
Unavailable
20
FLOAT
13252-46110
Unavailable
22
SPRING
13573-46110
Unavailable
24
KNOB, STARTER
13413-25710
Unavailable
30
JET, MAIN (82.5) This part replaces 09491-82002.
09491-82003
Unavailable
