- Partiron
- OEM Parts
- Suzuki
- Motorcycle
- 1980
- RM50 (1980)
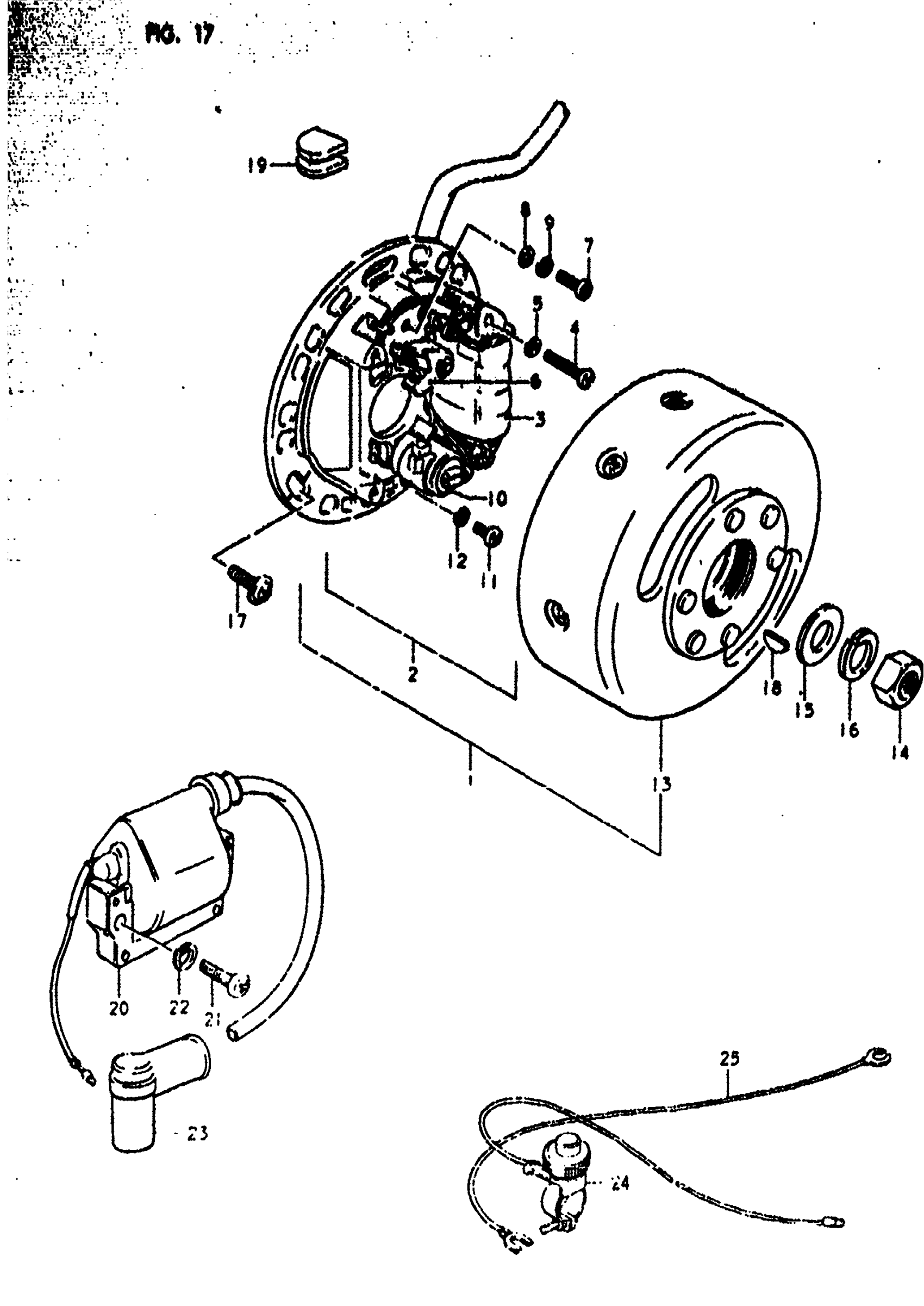
MAGNETO
Suzuki RM50 (1980) MAGNETO Diagram
#
Description
Price
1
MAGNETO ASSY | C,N,T; Includes Item(s) 2 - 13
32100-46610
Unavailable
2
STATOR ASSY | C,N,T
32101-46610
Unavailable
3
COIL, PRIMARY | C,N,T
32140-48010
Unavailable
7
SCREW | C,N,T
09125-04001
Unavailable
10
CONDENSER | C,N,T
32341-43012
Unavailable
13
ROTOR | C,N,T This part replaces 32102-46610.
32102-43013
Unavailable
19
CAP, MAGNETO LEAD WIRE | C,N,T
09259-04001
Unavailable
20
COIL ASSY,IGNIT | C,N,T This part replaces 33410-43010.
33410-43011
Unavailable
25
LEAD WIRE, EARTH | C,N,T
36851-41200
Unavailable
