Outlander 400, 2003
01- Cooling System
01- Crankcase
01- Crankshaft, Piston And Cylinder
01- Cylinder Head
01- Engine And Engine Support
01- Engine Lubrication
01- Exhaust System
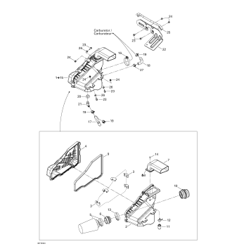
02- Air Intake Silencer
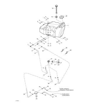
02- Carburetor
02- Fuel Tank
03- Magneto
04- Rewind Starter
05- CVT / Transmission
05- Drive System, Front
05- Drive System, Rear
05- Gear Shift
06- Hydraulic Brake
07- Front Suspension
07- Steering System
08- Rear Suspension
09- Body And Accessories, Front View
09- Body And Accessories, Rear View
09- Decals
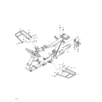
09- Frame
09- Front And Rear Trays
09- Seat
10- Battery And Electrical Accessories
10- Main Harness
Fuel Your Passion
Parts That Keep You Riding
Edit ride