LT125 (1984)
AIR CLEANER
CAM CHAIN
CAM SHAFT - VALVE
CARBURETOR (MODEL D)
CARBURETOR (MODEL E)
CHAIN CASE
CLUTCH
CRANKCASE
CRANKCASE COVER
CRANKSHAFT
CYLINDER
CYLINDER HEAD
ELECTRICAL
FOOTREST
FRAME
FRONT FENDER (MODEL D)
FRONT FENDER (MODEL E)
FRONT WHEEL (MODEL D)
FRONT WHEEL (MODEL E)
FUEL TANK (MODEL D)
FUEL TANK (MODEL E)
GEAR SHIFTING (MODEL D)
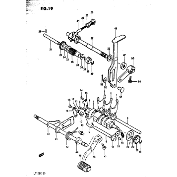
GEAR SHIFTING (MODEL E)
HANDLE SWITCH - CONTROL CABLE (MODEL D)
HANDLE SWITCH - CONTROL CABLE (MODEL E)
HANDLEBAR - STEERING (MODEL D)
HANDLEBAR - STEERING (MODEL E)
HEADLAMP
HEADLAMP HOUSING
MAGNETO
MUFFLER
ODOMETER
OIL PUMP - FUEL PUMP
OPTIONAL
REAR BRAKE
REAR FENDER
REAR WHEEL (MODEL D)
REAR WHEEL (MODEL E)
RECOIL STARTER (L:51.5)
RECOIL STARTER (L:57.5)
SEAT
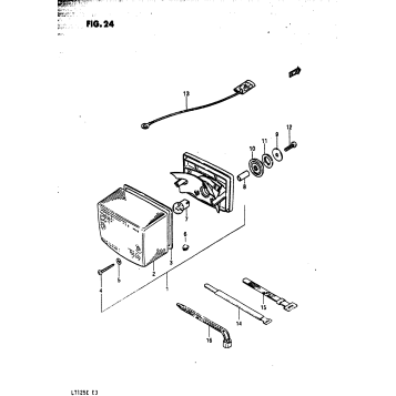
TAIL LAMP
TENSIONER
TIE ROD
TRANS MISSION (MODEL D)
TRANS MISSION (MODEL E)
Fuel Your Passion
Parts That Keep You Riding
Edit ride