- Partiron
- OEM Parts
- Suzuki
- All Terrain Vehicle
- 1984
- LT125 (1984)
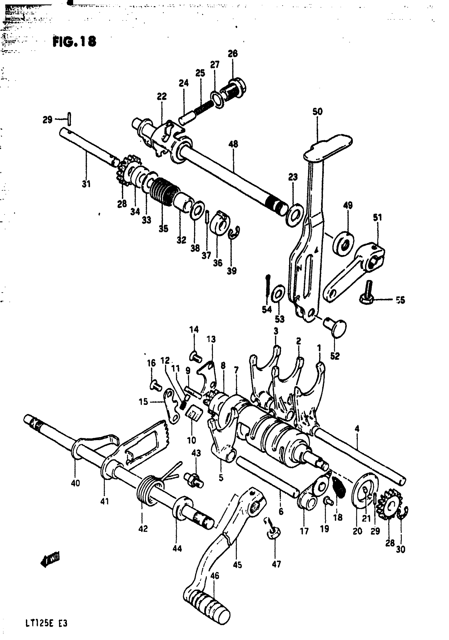
GEAR SHIFTING (MODEL D)
Suzuki LT125 (1984) GEAR SHIFTING (MODEL D) Diagram
#
Description
Price
1
FORK, GEAR SHIFTING, NO.1
25211-24201
Unavailable
2
FORK, GEAR SHIFTING, NO.2
25221-24200
Unavailable
3
FORK, GEAR SHIFTING, NO.4 | SEE NOTE
25241-24201
Unavailable
5
FORK, GEAR SHIFTING, NO.3
25231-24200
Unavailable
7
CAM, GEAR SHIFTING | SEE NOTE
25310-24204
Unavailable
13
LIFTER, PAWL
25331-37400
Unavailable
17
STOPPER, CAM
25350-11300
Unavailable
20
PLATE, STOPPER
25381-45000
Unavailable
22
CAM, GEAR SHIFTING, NO.2 | SEE NOTE
25320-24201
Unavailable
28
GEAR, GEAR POSITION INDICATOR
25362-18900
Unavailable
29
PIN
09261-03010
Unavailable
31
SHAFT, GEAR POSITION INDICATOR
25363-24200
Unavailable
32
NO DESCRIPTION AVAILABLE This part replaces 09180-08085.
09180-08203
Unavailable
35
SPRING This part replaces 09440-17007.
09440-17007-XC0
Unavailable
36
INDICATOR, GEAR POSITION
25360-18900
Unavailable
37
PIN
09261-03010
Unavailable
40
SHAFT, GEAR SHIFTING
25510-24301
Unavailable
41
GEAR, CAM DRIVE
25540-24200
Unavailable
45
LEVER ASSY, GEAR SHIFTING | Includes Item(s) 46 This part replaces 25600-24300.
25610-18A00
Unavailable
48
NO DESCRIPTION AVAILABLE This part replaces 25530-24200.
25530-24202
Unavailable
50
LEVER, GEAR SHIFTING NO.2 This part replaces 25620-24200.
25620-24202
Unavailable
51
ARM This part replaces 25520-24200.
25520-24201
Unavailable
52
PIN
09200-08025
Unavailable
53
WASHER
09181-08002
Unavailable
54
COTTER PIN
04111-20108
Unavailable
