Suzuki LT125 (1984) FRAME Diagram
#
Description
Price
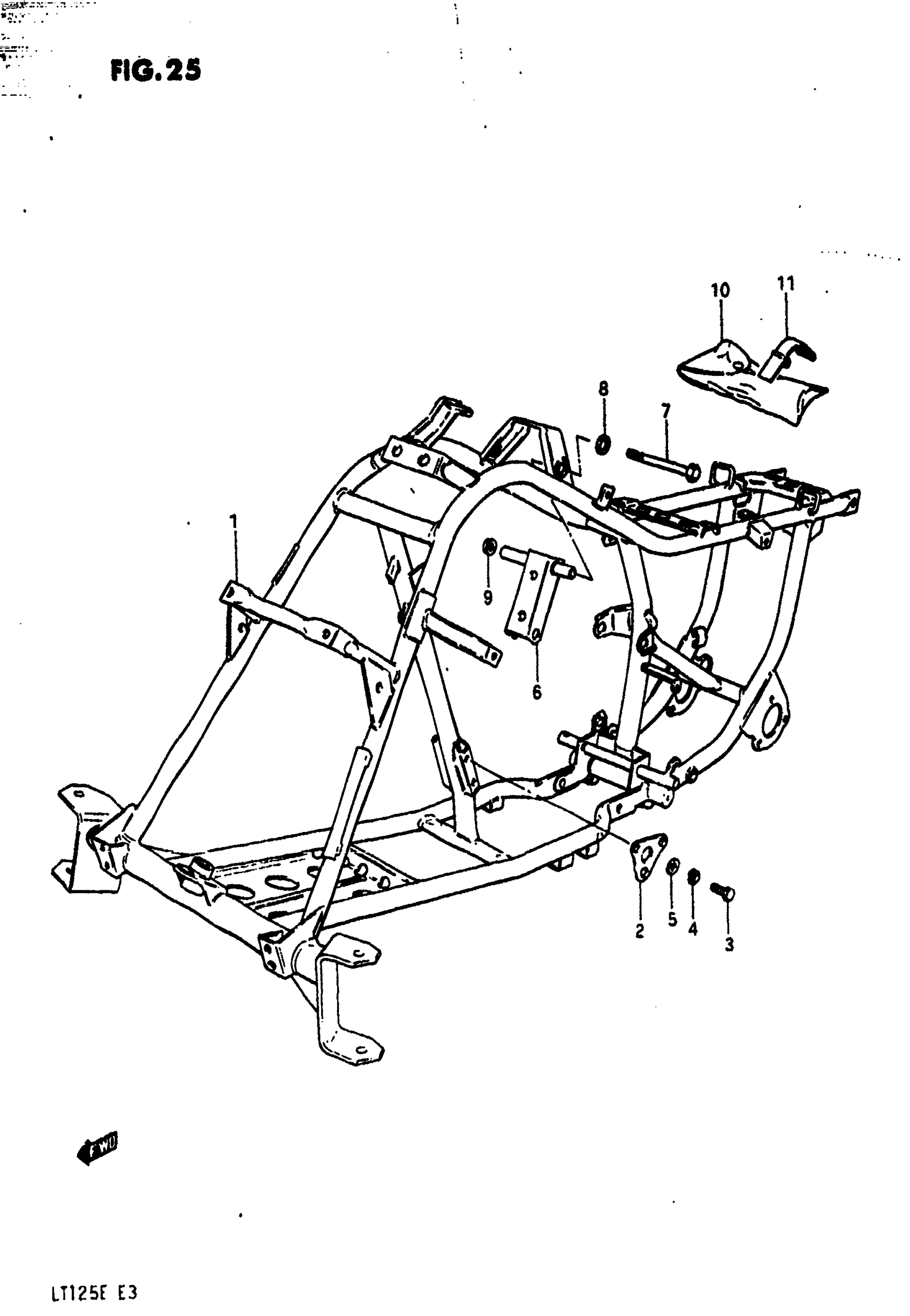
1
FRAME (BLACK) | MODLE D
41100-18900-019
Unavailable
1
FRAME (BLACK) | MODEL E This part replaces 41100-18910-019.
41100-18950-019
Unavailable
2
PLATE, MOUNTING FRONT
41911-18900
Unavailable
6
PLATE, MOUNTING UPPER
41930-18900
Unavailable
